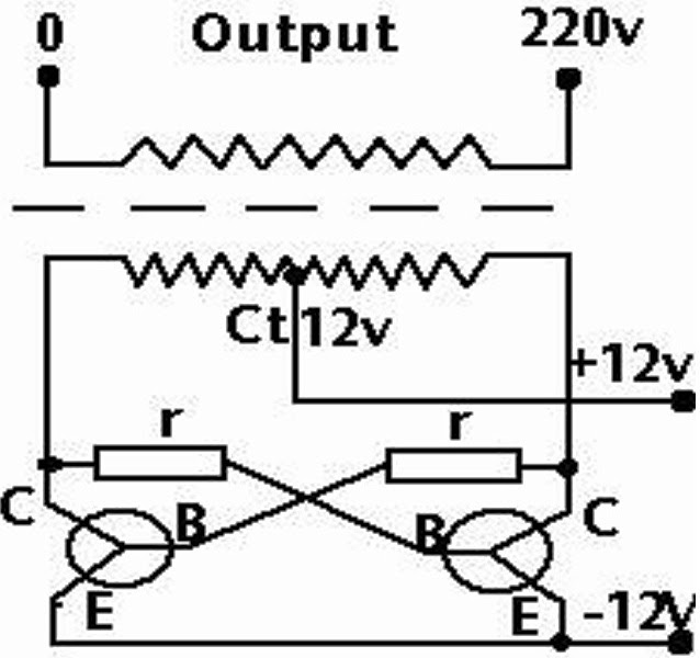
Rangkaian 220v Ke 12v Tanpa Trafo. Trafo yang sering digunakan pada sebuah rangkaian inverter yaitu trafo jenis ct (center tap). Supply untuk tc saya ambil dari rangkaian output elco setelah dioda yg ada di ampli. Periksa ulang rangkaian pengawatan yang sudah anda buat ke asisten. Inverter mini membuat jt inverter dengan trafo dvd bekas tanpa.
Rangkaian Inverter 12 VDC ke 220 VAC100 Watt » From skemaku.com
Tanpa bbm dari dc 12v ke ac 220v. Elko kapasitor pada rangkaian memakai 1000uf 16 v karena adaptor yang akan kita buat 12v. Jadi dari 220v diubah dengan trafo stepdown ke 12v 10a butuh 0,54a pada 220v jadi kalo trafo di balik primer|sekunder. Beri beban, bisa menggunakan lampu 220v/5watt untuk menguji apakah rangkaian invertermu berfungsi dengan baik atau tidak. Copy right www.singkutseven.blogspot.com 2009 label: Pengiriman cepat pembayaran 100 aman.
Supply untuk tc saya ambil dari rangkaian output elco setelah dioda yg ada di ampli.
Trafo tsb saya bikin supply amplifier power tda 2030a stereo. Demikian penjelasan singkat dari rangkaian inverter 12 volt. Rangkaian adaptor 12v 5a tanpa trafogampang cara membuat adaptor power supply sederhana tp bermanfaat cara membuat adaptor 12 volt 3 ampere rangkaian adaptor 12 volt 5 ampere. Untuk bahan siapkan 2 diode 1a, elco 2200uf/25v x2. Jika flipflop berfungsi dengan baik, silakan coba hubungkan rangkaian ke trafo. Transformator atau yang biasa disebut dengan trafo ialah suatu alat listrik yang dapat mengubah taraf suatu tegangan ac ke taraf tegangan yang lain.
Source: jasalistrik.com
Rangkaian inverter gelombang kotak memerlukan komponen yang sangat sedikit. Penghitungan waktu pemakaian aki dan waktu mencarger aki. Jika kedua ujung konduktor dihubungkan ke rangkaian listrik, tidak ada arus. Periksa ulang rangkaian pengawatan yang sudah anda buat ke asisten. Amplifier dengan rangkaian psu integrated 12v ct.
Source: adaptorkita.blogspot.com
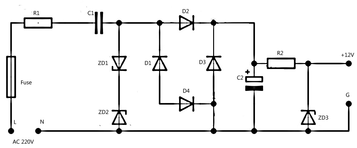
Rangkaian adaptor 12 v 3 ampere ini dirangkai dari trafo, penyearah, filter, penstabil tegangan 12 volt dan rangkaian penguat arus. Nah terapkan koneksi itu ke tegangan extra trafo, tapi konek ke 0 dan 12v. Bagian ini merupakan output dari trafo inverter yang memiliki tegangan dengan besar antara 220 vdc hingga 230 vdc yang bisa langsung dihubungkan dengan beban listrik atau perangkat elektronik. Trafo jenis ini biasanya tidak menggunakan center tap namun menggunakan dua output tegangan sekunder 0 volt dan vn volt , dimana vn adalah tegangan tertentu yang disesuaikan dengan jumlah gulungan yang dibuat. Amplifier dengan rangkaian psu integrated 12v ct.
Source: isnannabawi.blogspot.com
Jika flipflop berfungsi dengan baik, silakan coba hubungkan rangkaian ke trafo. Dengan kemampuan arus sebesar 3a, adaptor ini dapat mensupply rangkaian yang banyak menggunakan relay 12v. Trafo yang sering digunakan pada sebuah rangkaian inverter yaitu trafo jenis ct (center tap). Mas rangkaian diatas kslau dipakai trafo 20a ct gimana caranya kan trafo 20a ct tidak afa 12v nya. Cara membuat led matrix agar tersusun rapi;
Source: autootomotiff.blogspot.com
Elco psu di ampli sudah saya. Contoh perubahannya seperti menurunkan tegangan ac dari 220vac ke 12vac maupun menaikkan tegangan dari 110vac ke 220vac. Elco psu di ampli sudah saya. Pasang kabel di terminal primer trafo pilih titik 0v dan 220v. Tujuan penelitian tujuan dari penelitian adalah sebagai berikut:
Source: sirkitelektronika.blogspot.com
Beberapa bahan, seperti kaca, kertas, atau teflon merupakan bahan isolator. Pasang lampu indikator led dan resistor (ikuti petunjuk asisten) 8. Bagian ini merupakan output dari trafo inverter yang memiliki tegangan dengan besar antara 220 vdc hingga 230 vdc yang bisa langsung dihubungkan dengan beban listrik atau perangkat elektronik. Dapat menaikkan, menurunkan atau hanya untuk mengisolasi sistem satu dengan yang lainnya. Transformator terdiri atas sisi primer dan sisi sekunder.
Source: adaptorkita.blogspot.com
Transformator terdiri atas sisi primer dan sisi sekunder. Elco psu di ampli sudah saya. Anda bisa lihat gambar no.1 di posting ini. Inverter mini membuat jt inverter dengan trafo dvd bekas tanpa. Berdsarkan gambar rangkaian power supply diatas t1 adalah transformator jenis step down tanpa ct.
Source: komponenmesinn.blogspot.com
Tujuan penelitian tujuan dari penelitian adalah sebagai berikut: Fitting inverter dc to ac lampu aki 12v ke 220v e27rp16000. Cara membuat led matrix agar tersusun rapi; Mengetahui bagaimana cara membuat stavolt ac 220v yang baik memberikan pemahaman bagi kita mengenai seperti apa kiat untuk merakit rangkaian stavolt dari trafo ac yang dapat digunakan agar tegangan listrik 220 volt menjadi stabil. Dengan adanya arus 220v ini, kita dapat menikmati serunya drama televisi, terangnya cahaya lampu pijar maupun lampu neon, mengisi ulang handphone dan juga menggunakan peralatan dapur lainnya seperti kulkas, rice.
Source: wahyueko.id
Inverter mini membuat jt inverter dengan trafo dvd bekas tanpa. Amplifier dengan rangkaian psu integrated 12v ct. Pengiriman cepat pembayaran 100 aman. Beri beban, bisa menggunakan lampu 220v/5watt untuk menguji apakah rangkaian invertermu berfungsi dengan baik atau tidak. Supply untuk tc saya ambil dari rangkaian output elco setelah dioda yg ada di ampli.
Source: rickynibeshe.blogspot.com
Elko kapasitor pada rangkaian memakai 1000uf 16 v karena adaptor yang akan kita buat 12v. Aplikasi rangkaian inverter 12v ke 220vac. Dengan adanya arus 220v ini, kita dapat menikmati serunya drama televisi, terangnya cahaya lampu pijar maupun lampu neon, mengisi ulang handphone dan juga menggunakan peralatan dapur lainnya seperti kulkas, rice. Anda bisa lihat gambar no.1 di posting ini. Contoh perubahannya seperti menurunkan tegangan ac dari 220vac ke 12vac maupun menaikkan tegangan dari 110vac ke 220vac.
Source: detiks.github.io
Mas rangkaian diatas kslau dipakai trafo 20a ct gimana caranya kan trafo 20a ct tidak afa 12v nya. Saya punya trafo ct 12v/3a. Transformator atau yang biasa disebut dengan trafo ialah suatu alat listrik yang dapat mengubah taraf suatu tegangan ac ke taraf tegangan yang lain. Pasang lampu indikator led dan resistor (ikuti petunjuk asisten) 8. Tanpa bbm dari dc 12v ke ac 220v.
Source: skemateknologi.blogspot.com
Trafo tsb saya bikin supply amplifier power tda 2030a stereo. Trafo beroperasi mengikuti prinsip induksi. Cara membuat rangkaian adaptor 12 volt 3 ampere. Inverter mini membuat jt inverter dengan trafo dvd bekas tanpa. Rangkaian inverter ini dapat digunakan untuk menyalakan lampu 220v dengan sumber tegangan berupa batere atau accumulator 12 volt.
Source: skemaku.com
Bukan hanya sebuah kebetulan, ada banyak perkara yang tidak pernah dipahami mengenai seperti apa proses membuat stavol. Anggap itu adalah tegangan extra trafo. Cara membuat inverter 12v to 220v rangkaian elektronik elektronik gerak rangkaian inverter sederhana 300 watt rangkaian inverter dc ke ac tanpa trafo skema rangkaian inverter 10000 watt rangkaian inverter 500 watt rangkaian inverter 1000 watt sederhana skema membuat inverter cara membuat. Tujuan penelitian tujuan dari penelitian adalah sebagai berikut: Cara membuat rangkaian adaptor 12 volt 3 ampere.
Source: komponenmesinn.blogspot.com
Amplifier dengan rangkaian psu integrated 12v ct. Supply untuk tc saya ambil dari rangkaian output elco setelah dioda yg ada di ampli. Transformator atau yang biasa disebut dengan trafo ialah suatu alat listrik yang dapat mengubah taraf suatu tegangan ac ke taraf tegangan yang lain. Inverter mini membuat jt inverter dengan trafo dvd bekas tanpa. Beri beban, bisa menggunakan lampu 220v/5watt untuk menguji apakah rangkaian invertermu berfungsi dengan baik atau tidak.
Source: faisalmanik.blogspot.com
Jika flipflop berfungsi dengan baik, silakan coba hubungkan rangkaian ke trafo. Arus listrik yang berasal berasal. Rangkaian inverter 12 v ke 220 v 1000 watt. Trafo yang sering digunakan pada sebuah rangkaian inverter yaitu trafo jenis ct (center tap). Jadi dari 220v diubah dengan trafo stepdown ke 12v 10a butuh 0,54a pada 220v jadi kalo trafo di balik primer|sekunder.
Source: wahyueko.id
Uji coba flip flop dengan mengalirkan listrik 12v dari baterai tanpa menghubungkan rangkaian ke ct trafo. Saya punya trafo ct 12v/3a. Inverter mini membuat jt inverter dengan trafo dvd bekas tanpa. Jika flipflop berfungsi dengan baik, silakan coba hubungkan rangkaian ke trafo. Demikian penjelasan singkat dari rangkaian inverter 12 volt.
Source: insanbiasa26.blogspot.com
Pengiriman cepat pembayaran 100 aman. Tanpa bbm dari dc 12v ke ac 220v. Trafo tsb saya bikin supply amplifier power tda 2030a stereo. Periksa ulang rangkaian pengawatan yang sudah anda buat ke asisten. Trafo beroperasi mengikuti prinsip induksi.
Source: rizki-fauzi90.blogspot.com
Rangkaian adaptor 12v 5a tanpa trafogampang cara membuat adaptor power supply sederhana tp bermanfaat cara membuat adaptor 12 volt 3 ampere rangkaian adaptor 12 volt 5 ampere. Penyearah gelombang penuh adalah salah satu cara dalam penyearahan tegangan ac yang lebih baik daripada. Jika kedua ujung konduktor dihubungkan ke rangkaian listrik, tidak ada arus. Arus listrik yang berasal berasal. Dengan adanya arus 220v ini, kita dapat menikmati serunya drama televisi, terangnya cahaya lampu pijar maupun lampu neon, mengisi ulang handphone dan juga menggunakan peralatan dapur lainnya seperti kulkas, rice.
Source: adaptorkita.blogspot.com
Pasang kabel di terminal primer trafo pilih titik 0v dan 220v. Jika flipflop berfungsi dengan baik, silakan coba hubungkan rangkaian ke trafo. Trafo tsb saya bikin supply amplifier power tda 2030a stereo. Untuk bahan siapkan 2 diode 1a, elco 2200uf/25v x2. Penyearah gelombang penuh adalah salah satu cara dalam penyearahan tegangan ac yang lebih baik daripada.
This site is an open community for users to do sharing their favorite wallpapers on the internet, all images or pictures in this website are for personal wallpaper use only, it is stricly prohibited to use this wallpaper for commercial purposes, if you are the author and find this image is shared without your permission, please kindly raise a DMCA report to Us.
If you find this site adventageous, please support us by sharing this posts to your favorite social media accounts like Facebook, Instagram and so on or you can also bookmark this blog page with the title rangkaian 220v ke 12v tanpa trafo by using Ctrl + D for devices a laptop with a Windows operating system or Command + D for laptops with an Apple operating system. If you use a smartphone, you can also use the drawer menu of the browser you are using. Whether it’s a Windows, Mac, iOS or Android operating system, you will still be able to bookmark this website.





