Skema Apex B500 Tef. Spesifikasi power amplifier apex h900 tef. Dalam dunia skema pcb mungkin anda pernah mendengar dengan yang namanya kumpulan skema pcb. Apex h 900 tef untuk psu aku punya: Ya gimana lagi merk dagang milik om mile slavkovic asal serbia ini sempat booming beberapa tahun lalu setelah produk komersialnya yg dinamai apex b500 dan h900 skema dan layoutnya disebarluaskan buat diyers seluruh penjuru dunia lewat forum diyaudio.com.
Power Amplifier para Profesional APEX B500 TEF dan Standar From elproaudio.blogspot.com
Hi.apex.thanks alot for your design b500 and h900. Apex h 900 tef untuk psu aku punya: Kit driver apex b500 tef. I just finish built them.its.ok.sounds is great.wonderfull. Menggunakan ir2117 dan ic terbaik untuk stepper. Assalamualaikumpada video kali ini saya melakukan tes kit apex b500 tef versi 2u yg sdh dilengkapi rangkaian protektor.tes point yg di ukur dco, vb tr final,.
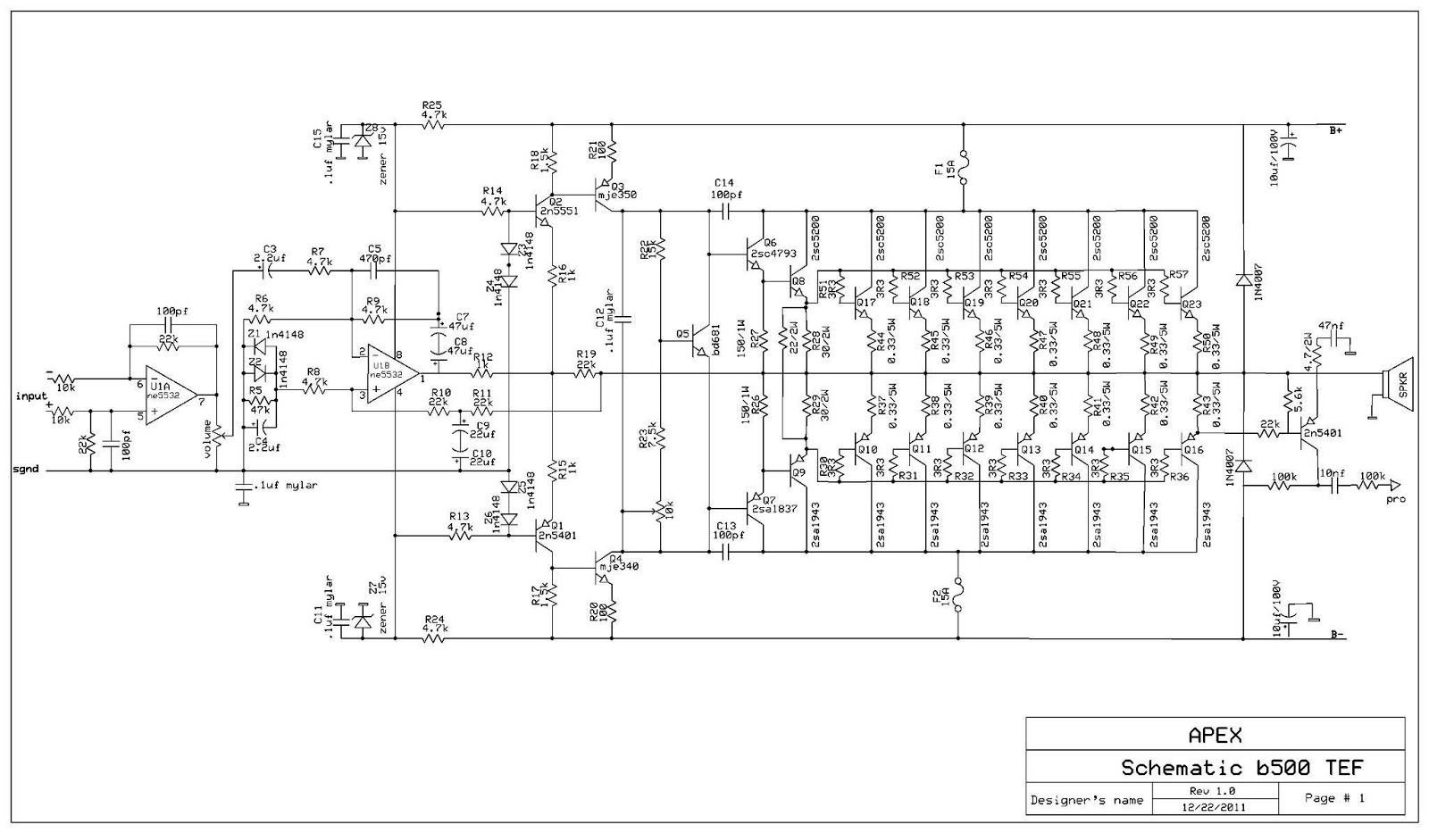
Output dari ic ne5532 ini diperkuat lagi pada penguat driver transistor.
Layout pcb power amplifier b500 by apex apex class h dengan step driver yang sederhana skema dan layout protector apex. In my local forum (www.solfegio.indonesianforum.net) will be coordinated for group buy project b500 and h900 if you approved it, because b500 and h900 intelectual right is yours.i (and member of solfegio. Bagian driver ini akan memiliki dua output yang berbeda fasa satu sama lain sebesar 180°. Skema input balance ic 4558 atau ne 5532. Konsep 89+ skema power socl 506 tef. Skema rangkaian power amplifier 500 watt apex ini memiliki kemampuan menyalurkan sinyal audio berdaya tinggi, yang mana amplfier ini memerlukan beban loudspeaker yang mumpuni agar amplifier dapat bekerja dengan optimal.
Source: sanjaysaja.blogspot.com
Di indonesia sendiri apex mulai booming… Bagian driver ini akan memiliki dua output yang berbeda fasa satu sama lain sebesar 180°. Skema rangkaian power amplifier 500 watt apex ini memiliki kemampuan menyalurkan sinyal audio berdaya tinggi, yang mana amplfier ini memerlukan beban loudspeaker yang mumpuni agar amplifier dapat bekerja dengan optimal. Poin pembahasan 31+ pcb apex b500 tef paling modern dan nyaman adalah : Sesuai dengan judulnya, power amplifier ini memiliki daya output sebesar 500 watt rms pada beban loudspeaker 8 ohm.
Source: bukalapak.com
Liat setelah tr driver c4793/a1837 ada tr lagi c5200/a1943 tapi diemitornya pakai resistor 30 ohm yang dipararel r 22 ohm. Skema power apex b500 tef pngline power amplifier apex b500 tef final mjl versi v pro sound v pro driver ini sangat cocok untuk merepro nada nada midlow dan keunggulan driver ini mempunyai karakter suara all driver power amp and pcb apex b 500 sumber : Assalamualaikumpada video kali ini saya melakukan tes kit apex b500 tef versi 2u yg sdh dilengkapi rangkaian protektor.tes point yg di ukur dco, vb tr final,. 1.050 watt rms 8 ohm, 1.350 watt rms 4ohm, 1.750 watt rms 2 ohm. Liat setelah tr driver c4793/a1837 ada tr lagi c5200/a1943 tapi diemitornya pakai resistor 30 ohm yang dipararel r 22 ohm.
Source: rahmatpriono.blogspot.com
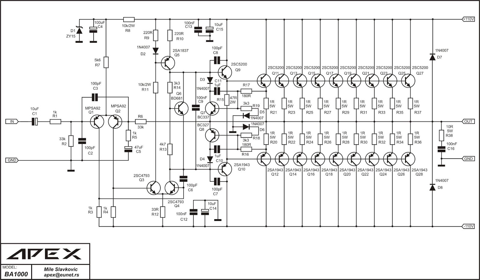
Yiroshi 1800 watt merupakan power profesional power terbaik untuk rental sound system lapangan karakter power yiroshi. I just finish built them.its.ok.sounds is great.wonderfull. Layout pcb power amplifier b500 by apex apex class h dengan step driver yang sederhana skema dan layout protector apex. Baru ada kesempatan hari ini. Membuat dan merakit power amplifier apex b500 tef series untuk soundsystem lapangan, apex b500 merupakan penguat amplifier kelas ab rancangan mile slavkovic (apexaudio) dari serbia, sama dengan apex h900 tef penguat amplifier b500 tef juga menghasilkan suara yang jernih, detil dan mempunyai karakter flat sehingga bisa diterapkan untuk semua frekuensi baik low, mid.
Source: zoom.umelecforum.ru
Keunggulan driver ini mempunyai karakter suara yang cerah (bright), renyah, jernih serta karakter midlow yang bersih dan. Sudah hampir 1 bulan gak pernah update posting blog ini. Skema power apex b500 tef pngline power amplifier apex b500 tef final mjl versi v pro sound v pro driver ini sangat cocok untuk merepro nada nada midlow dan keunggulan driver ini mempunyai karakter suara all driver power amp and pcb apex b 500 sumber : Skema & layout pcb power amplifier h900 tef apex skema unbalance input for blazer apex ax14 skema balance output skema & Kit full apex b500 informasi anda butuh informasi tentang cara pemesanan / informasi tentang produk dari fosti electronics, telp / sms / whatsapp :
Source: elproaudio.blogspot.com
Dioda asli international rectifier (ir) 35a =25rb/biji 2. Di indonesia sendiri apex mulai booming… Dioda asli international rectifier (ir) 35a =25rb/biji 2. Baru 37 skema pcb power apex b500 paling modern dan nyaman. Baru ada kesempatan hari ini.
Source: bukalapak.com
Poin pembahasan 31+ pcb apex b500 tef paling modern dan nyaman adalah : Kit h1200 tef plug & play. Skema power apex h1200 tef, skema power apex h900 tef, apex b500 tef, driver apex h900, 17+ pcb apex h900 tef simple dan minimalis. Input balance apex sudah include sama power kitnya seperti apex b500 dan h900 baik standart maupun yang model tef, silahkan order pada kami karena kami menyediakan model input balance power amplifier mono dan stereo yang bisa dipasang pada box panel belakang macam ca 10, ca 20, ca30, box thunder. Kit driver apex b500 tef.
Source: codoelektronik.blogspot.com
Yiroshi 1800 watt merupakan power profesional power terbaik untuk rental sound system lapangan karakter power yiroshi. Power yiroshi merupakan satu satunya kit yang gampang diajak kerja berat dengan menerapkan tef pada driver transistor akhir maka jadilah sebuah kit dengan daya besar dan mampu load 4 ohm dengan sempurna, angkat beban 18 inchi pun menjadi. Sesuai dengan judulnya, power amplifier ini memiliki daya output sebesar 500 watt rms pada beban loudspeaker 8 ohm. Kit full lengkap dengan transistor final dan heatsink sudah tested tinggal sambung psu. Baru 37 skema pcb power apex b500 paling modern dan nyaman.
Source: rahmat-kj.blogspot.com
46+ skema rangkaian lampu led berjalan 12 volt. Dalam dunia skema pcb mungkin anda pernah mendengar dengan yang namanya kumpulan skema pcb. Max load 2 ohm (4 speaker pararel) bekerja pada kelas h dan lebih efisien dibandingkan kelas ab. Transistor final menggunakan mjl ori onsemi. Kit h1200 tef plug & play.
Source: shopee.co.id
I just finish built them.its.ok.sounds is great.wonderfull. Membuat dan merakit power amplifier apex b500 tef series untuk soundsystem lapangan, apex b500 merupakan penguat amplifier kelas ab rancangan mile slavkovic (apexaudio) dari serbia, sama dengan apex h900 tef penguat amplifier b500 tef juga menghasilkan suara yang jernih, detil dan mempunyai karakter flat sehingga bisa diterapkan untuk semua frekuensi baik low, mid. In my local forum (www.solfegio.indonesianforum.net) will be coordinated for group buy project b500 and h900 if you approved it, because b500 and h900 intelectual right is yours.i (and member of solfegio. 1.050 watt rms 8 ohm, 1.350 watt rms 4ohm, 1.750 watt rms 2 ohm. Output dari ic ne5532 ini diperkuat lagi pada penguat driver transistor.
Source: stone.umelecforum.ru
Skema input balance ic 4558 atau ne 5532. Belum fit karena penyakit, saya harus lembur kerjaian power apex b500 tef. Elko asli merk siemens 10.000uf/100v = rp110rb/biji (diameter 8cm tinggi 9cm), siemens 4.700uf/100v=rp50rb/biji (diameter 5cm tinggi 9cm), bodi gede model mur baut. Kit driver apex b500 tef. Baru 37 skema pcb power apex b500 paling modern dan nyaman.
Source: dnd-elektro.blogspot.com
1.050 watt rms 8 ohm, 1.350 watt rms 4ohm, 1.750 watt rms 2 ohm. Bagi yang berminat memesannya silahkan hubungi kontak saya dibawah ini,. Yiroshi 1800 watt merupakan power profesional power terbaik untuk rental sound system lapangan karakter power yiroshi. Skema rangkaian power amplifier 500 watt apex ini memiliki kemampuan menyalurkan sinyal audio berdaya tinggi, yang mana amplfier ini memerlukan beban loudspeaker yang mumpuni agar amplifier dapat bekerja dengan optimal. In my local forum (www.solfegio.indonesianforum.net) will be coordinated for group buy project b500 and h900 if you approved it, because b500 and h900 intelectual right is yours.i (and member of solfegio.
Source: youtube.com
Dalam dunia skema pcb mungkin anda pernah mendengar dengan yang namanya kumpulan skema pcb. Keunggulan driver ini mempunyai karakter suara yang cerah (bright), renyah, jernih serta, karakter midlow yang bersih dan lebih punch tapi nyaman ditelinga. 46+ skema rangkaian lampu led berjalan 12 volt. Liat setelah tr driver c4793/a1837 ada tr lagi c5200/a1943 tapi diemitornya pakai resistor 30 ohm yang dipararel r 22 ohm. Kit full lengkap dengan transistor final dan heatsink sudah tested tinggal sambung psu.
Source: stone.umelecforum.ru
Bagi yang berminat memesannya silahkan hubungi kontak saya dibawah ini,. Keunggulan driver ini mempunyai karakter suara yang cerah (bright), renyah, jernih serta karakter midlow yang bersih dan. Skema power apex h1200 tef, skema power apex h900 tef, apex b500 tef, driver apex h900, 17+ pcb apex h900 tef simple dan minimalis. In my local forum (www.solfegio.indonesianforum.net) will be coordinated for group buy project b500 and h900 if you approved it, because b500 and h900 intelectual right is yours.i (and member of solfegio. Di indonesia sendiri apex mulai booming…
Source: zoom.umelecforum.ru
Skema power apex b500 tef pngline power amplifier apex b500 tef final mjl versi v pro sound v pro driver ini sangat cocok untuk merepro nada nada midlow dan keunggulan driver ini mempunyai karakter suara all driver power amp and pcb apex b 500 sumber : Layout pcb power amplifier b500 by apex apex class h dengan step driver yang sederhana skema dan layout protector apex. Yiroshi 1800 watt merupakan power profesional power terbaik untuk rental sound system lapangan karakter power yiroshi. 46+ skema rangkaian lampu led berjalan 12 volt. Sesuai dengan judulnya, power amplifier ini memiliki daya output sebesar 500 watt rms pada beban loudspeaker 8 ohm.
Source: zoom.umelecforum.ru
Gaya terbaru 86+ skema power supply dvd lg. Output dari ic ne5532 ini diperkuat lagi pada penguat driver transistor. Hi.apex.thanks alot for your design b500 and h900. Spesifikasi power amplifier apex h900 tef. Bagi yang berminat memesannya silahkan hubungi kontak saya dibawah ini,.
Source: zoom.umelecforum.ru
Apex h 900 tef untuk psu aku punya: Layout pcb power amplifier b500 by apex apex class h dengan step driver yang sederhana skema dan layout protector apex. Max load 2 ohm (4 speaker pararel) bekerja pada kelas h dan lebih efisien dibandingkan kelas ab. Yiroshi 1800 watt merupakan power profesional power terbaik untuk rental sound system lapangan karakter power yiroshi. Kit full apex b500 informasi anda butuh informasi tentang cara pemesanan / informasi tentang produk dari fosti electronics, telp / sms / whatsapp :
Source: skemaelectronikaa.blogspot.com
Yiroshi 1800 watt merupakan power profesional power terbaik untuk rental sound system lapangan karakter power yiroshi. Sudah hampir 1 bulan gak pernah update posting blog ini. Input balance apex sudah include sama power kitnya seperti apex b500 dan h900 baik standart maupun yang model tef, silahkan order pada kami karena kami menyediakan model input balance power amplifier mono dan stereo yang bisa dipasang pada box panel belakang macam ca 10, ca 20, ca30, box thunder. Perbedaan apex b500 standart dan apex h900 standart tentu disamping voltase double. Layout pcb power amplifier h900 by apex amplifier power indicator layout apex mosfet.
Source: bukalapak.com
Baru 37 skema pcb power apex b500 paling modern dan nyaman. Perbedaan apex b500 standart dan apex h900 standart tentu disamping voltase double. Di indonesia sendiri apex mulai booming… Layout pcb power amplifier h900 by apex amplifier power indicator layout apex mosfet. Gaya terbaru 86+ skema power supply dvd lg.
This site is an open community for users to submit their favorite wallpapers on the internet, all images or pictures in this website are for personal wallpaper use only, it is stricly prohibited to use this wallpaper for commercial purposes, if you are the author and find this image is shared without your permission, please kindly raise a DMCA report to Us.
If you find this site serviceableness, please support us by sharing this posts to your favorite social media accounts like Facebook, Instagram and so on or you can also save this blog page with the title skema apex b500 tef by using Ctrl + D for devices a laptop with a Windows operating system or Command + D for laptops with an Apple operating system. If you use a smartphone, you can also use the drawer menu of the browser you are using. Whether it’s a Windows, Mac, iOS or Android operating system, you will still be able to bookmark this website.





