Trafo Non Ct Jadi Ct. Sehingga menjadi psu yang simetris. Output yang dihasilkan dari trafo ini hanya menggunakan 2 kabel, yaitu kabel. Sediakan trafo ct yang sudah disiapkan terlebih dulu. Jadi anda bisa dengan mudah untuk membedakannya.
Modif Trafo CT jadi NonCT Untuk Modul EGS 002 YouTube From youtube.com
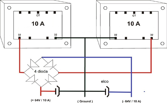
Karena kebanyakan lilitannya jadi gk pake ct 6. Pengen belajar tapi gak tau nama. Dengan menyediakan komponen 2 buah dioda & 2 buah elko yang di rangkai seperti gambar di atas sudah bisa mengubah trafo non ct menjadi out ct, namun cara ini tidak menghasilkan arus se maksimal trafo ct aslinya, akan tetapi bisa digunakan dengan baik untuk suply acc seperti tone control,mixer, galaxy dll, bisa juga di gunakan untuk suply power yang. Trafo sendiri memiliki fungsi untuk menurunkan tegangan dari ac 220v menjadi tegangan yang bisa digunakan untuk mensuplay kit driver, entah itu tegangan ct maupun non ct. Trafo (current transformer) adalah perangkat listrik yang digunakan untuk mentransfer daya listrik dari satu rangkaian ke sirkuit lain tanpa mengubah frekuensinya dan mencapai dengan induksi elektromagnetik.pada dasarnya, transformer tersedia dalam dua jenis yaitu tipe shell dan tipe inti. Trafo jenis ini biasanya banyak digunakan pada power supply tipe non simetris.
2 ct jadi 1 atau trafo engkel dijadikan ct.
Sediakan trafo ct yang sudah disiapkan terlebih dulu. Kalau smps tegangan tunggal 12v, maka jika diseri akan jadi 24v ct mas. Trafo ct dan trafo non ct jenis trafo berikutnya adalah trafo ct dan trafo non ct. Karena kebanyakan lilitannya jadi gk pake ct 6. Ini merupakan catatan penting, sebab menerima sebuah job yang menginginkan merakit amplifier dengan trafo seadanya. Cara supaya tone control ct simetris bisa disuply adaptor singgel suply non ct tanpa.
Source: youtube.com
Cara supaya tone control ct simetris bisa disuply adaptor singgel suply non ct tanpa. Lengkapi kebutuhan pertukangan trafo 5a non ct terlengkap & terbaru dari merk terbaik dengan mudah dan cepat kapanpun dimanapun di tokopedia sekarang! Betul, ct nya ambil di tengah rangkaian seri tersebut. Download lagu cara merubah trafo non ct jadi ct/rangkaian regulator simetris trafo. Apkah bsa 12v ct di smbung ke 18v krna tdk ada 12v, dan daya 32v ct ama 12v ct itu di aktifkan menggunakan 1 trafo sja apakah bsa…?
Source: spiderbeat.com
Trafo jenis ini biasanya banyak digunakan pada power supply tipe non simetris. Fungsi utamanya adalah untuk menaikkan dan menurunkan. Shere bagaiman menciptakan power suplay pada trafo yang tidak ada ct nya hanya mempunyai lilitan 0 hingga 25 volt. Trafo sendiri memiliki fungsi untuk menurunkan tegangan dari ac 220v menjadi tegangan yang bisa digunakan untuk mensuplay kit driver, entah itu tegangan ct maupun non ct. Sebenarnya secara fisik trafo ct dan non ct sudah terlihat mana yang menggunakan sistem ct dan mana yang.
Source: youtube.com
Pengen belajar tapi gak tau nama. Apkah bsa 12v ct di smbung ke 18v krna tdk ada 12v, dan daya 32v ct ama 12v ct itu di aktifkan menggunakan 1 trafo sja apakah bsa…? Trafo non ct adalah jenis trafo dimana pada gulungan sekundernya mempunyai 1 buah output. Tanya mas, sy puny trafo engkel bekas speaker aktif, tidak ada tulisannya, ada rngkaian p.supply sderhana, sy cek 18v dc, rncana mo tak ganti biar jd 15v simetris, kbelny cm ada 2 warna kuning semua, gmn cara mnentukan 0/gnd di antara 2. Fungsi trafo ct adalah untuk membuat rangkaian power supply simetris gelombang penuh seperti yang biasa digunakan untuk amplifier saat ini yang memakai kutub positif, netral, dan negatif.
Source: mas-ikhin.blogspot.com
Trafo jenis ini biasanya banyak digunakan pada power supply tipe non simetris. Trafo jenis ini biasanya banyak digunakan pada power supply tipe non simetris. Sehingga menjadi psu yang simetris. Jadi anda bisa dengan mudah untuk membedakannya. Trafo jenis ini umumnya digunakan pada power supply tipe non simetris.
Source: youtube.com
Shere bagaiman menciptakan power suplay pada trafo yang tidak ada ct nya hanya mempunyai lilitan 0 hingga 25 volt. Kedua trafo ini memiliki fungsi yang berbeda. Cara supaya tone control ct simetris bisa disuply adaptor singgel suply non ct tanpa. Fungsi utamanya adalah untuk menaikkan dan menurunkan. Dalam konteks penggunaan, anda bisa menyesuaikan, bagaiaman sistem yang akan disuplai menjadi acuan utama apakah simetris atau single output.
Source: softeducations.blogspot.com
Seperti apa kejelasannya, mari kita ulas lengkap mengenai skema power. Seperti apa kejelasannya, mari kita ulas lengkap mengenai skema power. Sehingga menjadi psu yang simetris. Trafo jenis ini umumnya digunakan pada power supply tipe non simetris. Output yang dihasilkan dari trafo ini hanya menggunakan 2 kabel, yaitu kabel.
Source: mas-ikhin.blogspot.com
Dan jika diseri, maka akan jadi 48v. Trafo jenis ini biasanya banyak digunakan pada power supply tipe non simetris. Jadi jika anda membutuhkan cepat trafo 5a non ct, cari & beli online di tokopedia dari toko trafo 5a non ct terdekat adalah solusinya. Kedua trafo ini memiliki fungsi yang berbeda. Tanya mas, sy puny trafo engkel bekas speaker aktif, tidak ada tulisannya, ada rngkaian p.supply sderhana, sy cek 18v dc, rncana mo tak ganti biar jd 15v simetris, kbelny cm ada 2 warna kuning semua, gmn cara mnentukan 0/gnd di antara 2.
Source: spiderbeat.com
Dengan menyediakan komponen 2 buah dioda & 2 buah elko yang di rangkai seperti gambar di atas sudah bisa mengubah trafo non ct menjadi out ct, namun cara ini tidak menghasilkan arus se maksimal trafo ct aslinya, akan tetapi bisa digunakan dengan baik untuk suply acc seperti tone control,mixer, galaxy dll, bisa juga di gunakan untuk suply power yang. Jadi anda bisa dengan mudah untuk membedakannya. Output yang dihasilkan dari trafo ini hanya menggunakan 2 kabel, yaitu kabel. 2 ct jadi 1 atau trafo engkel dijadikan ct. Sub asli nya 3 inch tp mau ane ganti ke 6 inch legacy kira kuat ga ya,,, saran oprek nya dong gan semua.
Source: mas-ikhin.blogspot.com
Fungsi trafo ct adalah untuk membuat rangkaian power supply simetris gelombang penuh seperti yang biasa digunakan untuk amplifier saat ini yang memakai kutub positif, netral, dan negatif. Apkah bsa 12v ct di smbung ke 18v krna tdk ada 12v, dan daya 32v ct ama 12v ct itu di aktifkan menggunakan 1 trafo sja apakah bsa…? Jadi bila suatu inti trafo dengan ukuran tertentun maka hasil luas penampang besi dengan luas jendelanya adalah sebanding dengan daya trafo yang mungkin dibuat oleh inti tersebut. Sehingga menjadi psu yang simetris. Jadi samakan dengan trafo yang non ct.
Source: baharelectronic.com
2 ct jadi 1 atau trafo engkel dijadikan ct. Download lagu cara merubah trafo non ct jadi ct/rangkaian regulator simetris trafo. Demkian juga sebaliknya trafo ct bias juga dijadikan trafo non ct dengan cara yang cukup mudah seperti cara mengubah trafo non ct menjadi trafo ct, yaitu pertama kali kita harus menentukan kedua ujung lilitannya, dimana kedua tap/terminal tegangan yang paling besarlah yang merupakan titik ujung lilitan yang salah satunya bias dijadikan tap/terminal 0. Cara supaya tone control ct simetris bisa disuply adaptor singgel suply non ct tanpa. Gini gan ane berencana mau modif dikit amlpli logitech z4,,, rencana yg mau di ganti :
Source: adaptorkita.blogspot.com
Trafo non ct adalah jenis trafo dimana pada gulungan sekundernya mempunyai 1 buah output. Output yang dihasilkan dari trafo ini hanya menggunakan 2 kabel, yaitu kabel. Berapa pun voltase nya yang kita punya, karena ini hanya praktek saja. Pelor december 6, 2019 at 11:13 pm. Gini gan ane berencana mau modif dikit amlpli logitech z4,,, rencana yg mau di ganti :
Source: usahahobi.com
Cara ganti trafo non ct ke ct. Trafo jenis ini umumnya digunakan pada power supply tipe non simetris. Output yang dihasilkan dari trafo ini hanya menggunakan 2 kabel, yaitu kabel. Dalam konteks penggunaan, anda bisa menyesuaikan, bagaiaman sistem yang akan disuplai menjadi acuan utama apakah simetris atau single output. Jadi bila suatu inti trafo dengan ukuran tertentun maka hasil luas penampang besi dengan luas jendelanya adalah sebanding dengan daya trafo yang mungkin dibuat oleh inti tersebut.
Source: youtube.com
Dipasaran banyak beredar merk trafo mulai dari yang murah sampai mahal, dalam bentuknya juga berbeda ada trafo kotak dan trafo toroid. Pada trafo non ct ini tidak ditemukan tulisan ct pada terminalnya, sehingga mudah dibedakan dengan trafo ct. Cara supaya tone control ct simetris bisa disuply adaptor singgel suply non ct tanpa. Trafo ct mempunyai jumlah lilitan 2 kali lebih banyak dari pada trafo non ct. 17/10/2021 · cara merubah tone control ct menjadi non ct / cara membuat trafo biasa non ct menjadi ct untuk sirkit / jul 22, 2021 · april 27, 2021 january 26, 2021 aku yang tidak kau ini itu dan di anda akan apa dia saya kita untuk mereka ada tahu dengan.
Source: usahahobi.com
Trafo (current transformer) adalah perangkat listrik yang digunakan untuk mentransfer daya listrik dari satu rangkaian ke sirkuit lain tanpa mengubah frekuensinya dan mencapai dengan induksi elektromagnetik.pada dasarnya, transformer tersedia dalam dua jenis yaitu tipe shell dan tipe inti. Output yang dihasilkan oleh trafo non ct ini hanya memakai dua kutub, yakni kutub positif dan kutub negatif. Demkian juga sebaliknya trafo ct bias juga dijadikan trafo non ct dengan cara yang cukup mudah seperti cara mengubah trafo non ct menjadi trafo ct, yaitu pertama kali kita harus menentukan kedua ujung lilitannya, dimana kedua tap/terminal tegangan yang paling besarlah yang merupakan titik ujung lilitan yang salah satunya bias dijadikan tap/terminal 0. Sehingga menjadi psu yang simetris. Dalam konteks penggunaan, anda bisa menyesuaikan, bagaiaman sistem yang akan disuplai menjadi acuan utama apakah simetris atau single output.
Source: beauty-knows-no-pain.blogspot.com
Kalau smps tegangan ct 12v, maka jika diambil tegangan 12v dan 12v tanpa ct, maka akan jadi 24v tunggal. Berapa pun voltase nya yang kita punya, karena ini hanya praktek saja. Gini gan ane berencana mau modif dikit amlpli logitech z4,,, rencana yg mau di ganti : Merakit trafo ct menjadi trafo non ct. Cara supaya tone control ct simetris bisa disuply adaptor singgel suply non ct tanpa.
Source: beauty-knows-no-pain.blogspot.com
Demkian juga sebaliknya trafo ct bias juga dijadikan trafo non ct dengan cara yang cukup mudah seperti cara mengubah trafo non ct menjadi trafo ct, yaitu pertama kali kita harus menentukan kedua ujung lilitannya, dimana kedua tap/terminal tegangan yang paling besarlah yang merupakan titik ujung lilitan yang salah satunya bias dijadikan tap/terminal 0. Pengecekan gulungan c = ( n1 q1 + n2 q2 ). Tanya mas, sy puny trafo engkel bekas speaker aktif, tidak ada tulisannya, ada rngkaian p.supply sderhana, sy cek 18v dc, rncana mo tak ganti biar jd 15v simetris, kbelny cm ada 2 warna kuning semua, gmn cara mnentukan 0/gnd di antara 2. Trafo non ct adalah jenis trafo dimana pada gulungan sekundernya mempunyai 1 buah output. Fungsi utamanya adalah untuk menaikkan dan menurunkan.
Source: youtube.com
Ini merupakan catatan penting, sebab menerima sebuah job yang menginginkan merakit amplifier dengan trafo seadanya. Diatas adalah gambar trafo biasa di mana tegangan 0v ada di pinggir sedang kan pada trafo ct 0v ada di tengah. The procedure allows your healthcare provider to determine what is causing your condition. Jadi bila suatu inti trafo dengan ukuran tertentun maka hasil luas penampang besi dengan luas jendelanya adalah sebanding dengan daya trafo yang mungkin dibuat oleh inti tersebut. Cara ganti trafo non ct ke ct.
Source: onsolder.com
Diatas adalah gambar trafo biasa di mana tegangan 0v ada di pinggir sedang kan pada trafo ct 0v ada di tengah. Kalau smps tegangan ct 12v, maka jika diambil tegangan 12v dan 12v tanpa ct, maka akan jadi 24v tunggal. Dengan menyediakan komponen 2 buah dioda & 2 buah elko yang di rangkai seperti gambar di atas sudah bisa mengubah trafo non ct menjadi out ct, namun cara ini tidak menghasilkan arus se maksimal trafo ct aslinya, akan tetapi bisa digunakan dengan baik untuk suply acc seperti tone control,mixer, galaxy dll, bisa juga di gunakan untuk suply power yang. The procedure allows your healthcare provider to determine what is causing your condition. Jadi anda bisa dengan mudah untuk membedakannya.
This site is an open community for users to do sharing their favorite wallpapers on the internet, all images or pictures in this website are for personal wallpaper use only, it is stricly prohibited to use this wallpaper for commercial purposes, if you are the author and find this image is shared without your permission, please kindly raise a DMCA report to Us.
If you find this site beneficial, please support us by sharing this posts to your preference social media accounts like Facebook, Instagram and so on or you can also bookmark this blog page with the title trafo non ct jadi ct by using Ctrl + D for devices a laptop with a Windows operating system or Command + D for laptops with an Apple operating system. If you use a smartphone, you can also use the drawer menu of the browser you are using. Whether it’s a Windows, Mac, iOS or Android operating system, you will still be able to bookmark this website.




