Skema Delay Speaker. Vr delay menentukan seberapa waktu pengulangan/pantulan. Tone control enak swara skema by anwar eltro. Selanjutnya silahkan rangkai seperti gambar dibawah ini: Rangkaian echo atau delay umumnya ditenagai oleh komponen utama berupa ic khusus yang dirancang untuk keperluan tersebut.
RANGKAIAN PENGUAT MICROPHONE Gambar Skema Rangkaian From skema-rangkaian-elektronika.blogspot.com
Pcb reverb pt2399 electronics projects, diy electronics,. Skema echo reverb 3 ic. Dibawah ini merupakan sebuah gambar rangkaian dari circuit efek delay. Ini adalah rangkaian delay off timer dengan dua transistor yang dapat diaplikasikan untuk. Kit pre amp mic der/ rangkaian, rp49.000. Lainnya seperti ini · sos detex smps dengan ferit etd49 plus ocp dan soft start delay · box speaker ql12 12 inch single · smps gacun double fet · skema box real cla.
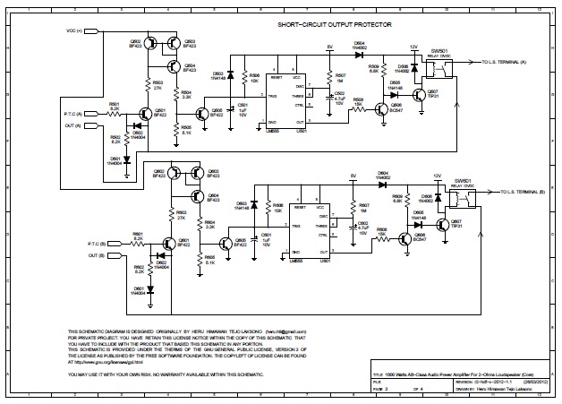
Koneksi antara layout modul ocp dengan skema.
Pastikan rangkaiannya sudah sesuai dengan gambar ya. Selanjutnya silahkan rangkai seperti gambar dibawah ini: Layout reverb 2 ic pt2399 ini menggunakan skema kit echo/reverb. Rangkaian power amplifier 1000w bgr blazer merupakan power amplifier yang didesai khusus untuk sistem audio outdor dengan daya besar. Lainnya seperti ini · sos detex smps dengan ferit etd49 plus ocp dan soft start delay · box speaker ql12 12 inch single · smps gacun double fet · skema box real cla. Umumnya resistor berukauran antara 0,1ω hingga 0,47ω.
Source: elektroarea.blogspot.com
Khusus centre dan subwoofer pake 1 ic lm1875. Cara mudah program rtc module ds1302 jam digital dengan arduino. Rangkaian mini power amplifier lm386 merupakan power amplifier daya rendah yang dapat digunakan untuk penguat audio pada radio pocket ataupun radio portable. Untuk membuat project alarm arduino, kamu membutuhkan: Rangkaian echo atau delay umumnya ditenagai oleh komponen utama berupa ic khusus yang dirancang untuk keperluan tersebut.
Source: fosti-poweramplifier-rakitan.blogspot.com
Kit aktif speaker stereo lengkap rangkaian mic echo tone control. Matrix speaker delay pcb kit. Terima kasih telah berkunjung ke blog berbagai ukuran 2019. Tone control tiada banding skema by anwar eltro. Skema box speaker bass jauh seperti apa?
Source: koleksihanji.blogspot.com
Skema echo reverb 3 ic. Skema echo reverb 3 ic. Biasa pada saat live musik suara musik akan memantul atau tidak sampai ke telingga penonton di karenakan jarak antara speaker terlalu jauh ke telingga penonton,disini fungsi delay pada menagement speaker akan kita mainkan supaya hasil lebih maksimal dan management delay merupakan alat untuk memperlambat. Cari harga dan promo terbaik untuk echo mic reverb diantara 939 produk. 4 vr delay dan 4 vr repeat.
Source: blogdokumen-gina.blogspot.com
Cara mudah program rtc module ds1302 jam digital dengan arduino. About press copyright contact us creators advertise developers terms privacy policy & safety how youtube works test new features press copyright contact us creators. Perkembangan teknologi seakan tidak hanya tertuju pada satu bidang saja namun pada semua. Matrix speaker delay pcb kit. Jadi butuh ic lm1875 sebanyak 6 buah.
Source: skema-rangkaian-elektronika.blogspot.com
Layout reverb 2 ic pt2399 ini menggunakan skema kit echo/reverb. Skema rangkaian delay speaker & speaker protector. Inilah 5 skema box speaker bass jauh. Fig 4 >> gambar paling bawah (surround) / delay section fig 5 >> skema gmbr e (lpf 7khz) tinggal di lihat gambar skema yg disamping aja mas. Dalam menata speaker bass pastinya dibutuhkan yang namanya keahlian khusus, ada sebahagian event memiliki pengunjung yang banyak dan di tempat yang tidak beraturan, kebanyakan sound enginer menaruh posisi speaker di samping kiri dan kanan panggung , mungkin ini bisa.
Source: elektroarea.blogspot.com
Tone control enak swara skema by anwar eltro. Semakin delay dinaikkan maka akan semakin lama jeda antara bunyi asli dan pengulangan yang satu serta pengulangan berikutnya secara teratur. Jadi butuh ic lm1875 sebanyak 6 buah. Fungsi delay pada management speaker. Khusus centre dan subwoofer pake 1 ic lm1875.
Source: ganisamanta.blogspot.com
Komponen utama dari speaker ini adalah modul penerima audio bluetooth yang saya beli di toko online. Skema box speaker bass jauh seperti apa? Tone control enak swara skema by anwar eltro. Tone control super tiada banding skema by anwar. Skema rangkaian delay speaker & speaker protector.
Source: elektronikakreatif.blogspot.com
Skema echo reverb 3 ic. Pada perangkat audio pabrikan pasti sudah ada aplikasi ini, karena pernah menemukan kerusakan pada bagian delay ini. Rangkaian echo atau delay umumnya ditenagai oleh komponen utama berupa ic khusus yang dirancang untuk keperluan tersebut. Matrix speaker delay pcb kit. Tone control super enak swara skema by anwar eltro.
Source: koleksi-skema-elektronika.blogspot.com
Digital echo mic menggunakan 1 ic pt2399 / ht 8970. Koneksi antara layout modul ocp dengan skema. Skema box speaker bass jauh seperti apa? Skema smps gacun 2 mosfet optocoupler || cara pararel gacun mosfet. Pastikan rangkaiannya sudah sesuai dengan gambar ya.
Source: blogdokumen-gina.blogspot.com
We would like to show you a description here but the site won’t allow us. Skema box speaker bass jauh seperti apa? Umumnya resistor berukauran antara 0,1ω hingga 0,47ω. 10a 70v smps for power amplifier t. Sehingga kita dapat menemukan rangkaian pre amp mic karaoke sederhana.
Source: skema-skema.blogspot.com
This aims to avoid memperawet speakers easily damaged. Tone control super enak swara skema by anwar eltro. Biasa pada saat live musik suara musik akan memantul atau tidak sampai ke telingga penonton di karenakan jarak antara speaker terlalu jauh ke telingga penonton,disini fungsi delay pada menagement speaker akan kita mainkan supaya hasil lebih maksimal dan management delay merupakan alat untuk memperlambat. Fig 4 >> gambar paling bawah (surround) / delay section fig 5 >> skema gmbr e (lpf 7khz) tinggal di lihat gambar skema yg disamping aja mas. Tone control super enak swara skema by anwar eltro.
Source: fosti-poweramplifier-rakitan.blogspot.com
Rangkaian mini power amplifier lm386 merupakan power amplifier daya rendah yang dapat digunakan untuk penguat audio pada radio pocket ataupun radio portable. Untuk mendapatkan mic yang sensitif murah meriah bisa menggunakan mic condenser, skema mic condenser sederhan bisa dilihat dibawah artikel. Tone control super enak swara skema by anwar eltro. Inilah 5 skema box speaker bass jauh. Digital echo mic menggunakan 1 ic pt2399 / ht 8970.
Source: fosti-poweramplifier-rakitan.blogspot.com
Setelah itu bagian delay berfungsi untuk memperlambat pengulangan bunyi berikutnya dari suara aslinya. Tone control tiada banding skema by anwar eltro. Skema elektronika dasar, skema elektronika pengusir nyamuk, skema elektronika pdf, skema elektronika unik, skema elektronika sederhana, skema elektronika gratis, skema elektronika power amplifier, skema elektronika terbaru, skema elektronika efek gitar, skema elektronika power bank, skema elektronika lengkap, skema elektronika audio, skema elektronika adaptor, skema. Pada perangkat audio pabrikan pasti sudah ada aplikasi ini, karena pernah menemukan kerusakan pada bagian delay ini. Jika kamu ragu, silahkan cek kembali untuk.
Source: suronto.blogspot.com
Skema rangkaian echo menggunakan ic mn3207. Gambar skema yang dimaksud adalah seperti dibawah ini: Untuk mendapatkan mic yang sensitif murah meriah bisa menggunakan mic condenser, skema mic condenser sederhan bisa dilihat dibawah artikel. Matrix speaker delay pcb kit. Koneksi antara layout modul ocp dengan skema.
Source: skema-rangkaian-elektronika.blogspot.com
Tone control enak swara skema by anwar eltro. The pt2399 is a single chip echo processor ic. Here is my newaudio echo delay board! Digital echo mic menggunakan 1 ic pt2399 / ht 8970. Skema elektronika dasar, skema elektronika pengusir nyamuk, skema elektronika pdf, skema elektronika unik, skema elektronika sederhana, skema elektronika gratis, skema elektronika power amplifier, skema elektronika terbaru, skema elektronika efek gitar, skema elektronika power bank, skema elektronika lengkap, skema elektronika audio, skema elektronika adaptor, skema.
Source: fosti-poweramplifier-rakitan.blogspot.com
Tone control super tiada banding skema by anwar. Matrix speaker delay pcb kit. Skema box speaker line array 10 inch atau basa di bilang skema box speaker gantung 10 inch lapangan. Fungsi delay pada management speaker. Here is my newaudio echo delay board!
Source: nte-electronicscircuit.blogspot.com
Fungsi delay pada management speaker. Dibawah ini merupakan sebuah gambar rangkaian dari circuit efek delay. Tone control enak swara skema by anwar eltro. Rangkaian power amplifier ini menggunakan power amplifier berupa 10 buah transistor yang terdiri dari 5 buah transistor sanken tipe a1494 dan 5 buah transistor sanken tipe c3858. Adapun skema rangkaian power amplifier 300 watt adalah.
Source: foundationinsidi.blogspot.com
Tone control super enak swara skema by anwar eltro. Accoustic field generator ini membangkitkan suara akustik dengan efek surround yang disesuaikan dengan standar dolby surround, mampu menghasilkan suara surround yang cukup baik namun tidak terlalu banyak membutuhkan dana. Rangkaian mini power amplifier lm386 merupakan power amplifier daya rendah yang dapat digunakan untuk penguat audio pada radio pocket ataupun radio portable. Saya mencoba membuat speaker bluetooth dengan baterai charger seperti yang banyak dijual. Tone control super enak swara skema by anwar eltro.
This site is an open community for users to do sharing their favorite wallpapers on the internet, all images or pictures in this website are for personal wallpaper use only, it is stricly prohibited to use this wallpaper for commercial purposes, if you are the author and find this image is shared without your permission, please kindly raise a DMCA report to Us.
If you find this site serviceableness, please support us by sharing this posts to your favorite social media accounts like Facebook, Instagram and so on or you can also save this blog page with the title skema delay speaker by using Ctrl + D for devices a laptop with a Windows operating system or Command + D for laptops with an Apple operating system. If you use a smartphone, you can also use the drawer menu of the browser you are using. Whether it’s a Windows, Mac, iOS or Android operating system, you will still be able to bookmark this website.




