Rangkaian Power Supply 12 Volt 5 Ampere Ct. Untuk elco gunakan minimal 2200uf50v agar out tegangan bisa bersih dan tidak dengung. Masputz 27.6.15 elektronik , merakit rangkaian. Rangkaian penyearah gelombang penuh dengan. Rangkaian di atas hanya merupakan rangkaian dasar.
Belajar, Cara, Membuat, Rangkaian, Skematik, Download From antonsuwanto.blogspot.com
Rangkaian di atas hampir sama dengan rangkaian power supply audio amplifier (big power), hanya saja komponennya telah. Elko kapasitor pada rangkaian memakai 1000uf 16 v karena adaptor yang akan kita buat 12v. Tapi saya masih ragu dengan kualitas sound (alias dengung) jika rakit power suply. Rangkaian adaptor 12 volt trafo ct dengan arus 5 ampere. Gampang cara membuat adaptor power supply sederhana tp bermanfaat. Primer technology cara membuat trafo biasa non ct menjadi ct untuk sirkit simetris rangkaian elektronik elektronik rangkaian power supply 12 volt 5 ampere sederhana vehicle logos ampere chevrolet logo skema rangkaian supply untuk power ampli class h menggunakan 1 dan 2 trafo biasa rangkaian.
17 09 2021 power supply 12v 5a with the 2n3055 can provide stable output voltage of 12 volts and a maximum current of 5 amperes 5a adapter 12 volt circuit with a current amplifier transistor 2n3055 can be purchased in kit form or assembled themselves with the pcb in the market pcb for 12 v 5a.
Rangkaian di atas hanya merupakan rangkaian dasar. Cara membuat rangkaian adaptor 12 volt 3 ampere. Pada umumnya tegangan output power supply variabel ini dapat diatur dari 1,5 volt hingga 12 volt. Rangkaian penyearah gelombang penuh dengan. Thunderin power supply 12v/20a jaring. Ic1 = ic regulator 7824.
Source: elangsakti.com
Rangkaian adaptor 12 volt trafo ct dengan arus 5 ampere. Nominal 12 volt dan arus searah maksimum 2,9 ampere, sehingga dari paramater tegangan dan. Skema rangkaian power supply (adaptor) sederhana. Power supply tegangan 12 volt digunakan sebagai catu daya penggerak motor dalam mendriver sistem. Pengiriman cepat pembayaran 100 aman.
Source: teknikelektrolinks.com
Rangkaian adaptor 12 volt trafo ct dengan arus 5 ampere. Berdsarkan gambar rangkaian power supply diatas t1 adalah transformator jenis step down tanpa ct. Rangkaian timer sederhana ic 555 dengan relay. Elko kapasitor pada rangkaian memakai 1000uf 16 v karena adaptor yang akan kita buat 12v. Rangkaian timer sederhana ic 555 dengan relay.
Source: contohpidatodansoallengkap288.blogspot.com
Dioda zener 1a 12 volt. Rangkaian penyearah gelombang penuh dengan. Primer technology cara membuat trafo biasa non ct menjadi ct untuk sirkit simetris rangkaian elektronik elektronik rangkaian power supply 12 volt 5 ampere sederhana vehicle logos ampere chevrolet logo skema rangkaian supply untuk power ampli class h menggunakan 1 dan 2 trafo biasa rangkaian. Rangkaian adaptor 12 v 3 ampere ini dirangkai dari trafo, penyearah, filter, penstabil tegangan 12 volt dan rangkaian penguat arus. Dibawah ini merupakan rangkaian power supply 24 vdc stabil dengan arus 3 ampere.
Source: dukun-elektro.blogspot.com
Cara membuat rangkaian adaptor 12 volt 3 ampere. Akan tetapi untuk power supply keperluan khusus seperti yang sering kita pergunakan di laboratorium power supply pada umumnya dapat diatur dari 0 volt hingga 33 volt. Trafo jenis ini biasanya tidak menggunakan center tap namun menggunakan dua output tegangan sekunder 0 volt dan vn volt , dimana vn adalah tegangan tertentu yang disesuaikan dengan jumlah gulungan yang dibuat. Primer technology cara membuat trafo biasa non ct menjadi ct untuk sirkit simetris rangkaian elektronik elektronik rangkaian power supply 12 volt 5 ampere sederhana vehicle logos ampere chevrolet logo skema rangkaian supply untuk power ampli class h menggunakan 1 dan 2 trafo biasa rangkaian. Skema power supply ct, rangkaian power supply 12 volt 5 ampere ct, rangkaian power supply ct 24 volt, power supply simetris 32 volt, rangkaian power supply 12 volt 3 ampere ct, cara membuat power supply untuk tone control, rangkaian adaptor ct, rangkaian power supply 32 volt 5 ampere, konsep 65+ rangkaian power supply ct.
Source: nadhwadz.blogspot.com
Gampang cara membuat adaptor power supply sederhana tp bermanfaat. Berdsarkan gambar rangkaian power supply diatas t1 adalah transformator jenis step down tanpa ct. Cara merakit power supply dengan 2 dioda dan 2 elco dengan transformator ct sebesar 5a. Rangkaian di atas hampir sama dengan rangkaian power supply audio amplifier (big power), hanya saja komponennya telah. Suplai rangkaiannya yakni relay sebesar 12 v.
Source: adaptorkita.blogspot.com
C1 = elco 2200 uf/35. Rangkaian penyearah gelombang penuh dengan. Rangkaian di atas hampir sama dengan rangkaian power supply audio amplifier (big power), hanya saja komponennya telah. Untuk elco gunakan minimal 2200uf50v agar out tegangan bisa bersih dan tidak dengung. Power supply pada tulisan ini dirancang untuk menghasilkan tegangan 12 volt dan 5 volt arus searah.
Source: masputz.com
Kayaknya adaptor yg dijual disini gak ada yg (4 ampere,24 volt) rencananya, saya mau rakit power suplly sendiri. Kayaknya adaptor yg dijual disini gak ada yg (4 ampere,24 volt) rencananya, saya mau rakit power suplly sendiri. Rangkaian dasar power supply tanpa trafo rangkaian regulator power. Rangkaian timer sederhana ic 555 dengan relay. Gampang cara membuat adaptor power supply sederhana tp bermanfaat.
Source: elektronikabersama.web.id
Atur tegangan output sesuai yang diinginkan melalui potensio. Adaptor ini cukup sederhana dan mudah anda praktikkan sendiri di rumah serta dengan komponen yang sangat umum dan mudah ditemukan di pasaran. Rangkaian adaptor 12 volt trafo ct dengan arus 5 ampere. Dibawah ini merupakan rangkaian power supply 24 vdc stabil dengan arus 3 ampere. 47016v keluar 1 12v rangkaian 2.
Source: pinterest.com
Setiap rangkaian elektronika yang membutuhkan energi listrik tentu ada power supplynya seperti tv, dvd player, komputer, amplifier dan sebagainya. Elcodengan bahan diatas kita sudah bisa membuat satu adaptor tentunya dengan alat pendukung. Primer technology cara membuat trafo biasa non ct menjadi ct untuk sirkit simetris rangkaian elektronik elektronik rangkaian power supply 12 volt 5 ampere sederhana vehicle logos ampere chevrolet logo skema rangkaian supply untuk power ampli class h menggunakan 1 dan 2 trafo biasa rangkaian. Skema rangkaian power supply (adaptor) sederhana. Gampang cara membuat adaptor power supply sederhana tp bermanfaat.
Source: afanz3.blogspot.com
Akan tetapi untuk power supply keperluan khusus seperti yang sering kita pergunakan di laboratorium power supply pada umumnya dapat diatur dari 0 volt hingga 33 volt. 43 komentar untuk merakit adaptor power supply trafo ct 5 ampere. Cara merakit power supply dengan 2 dioda dan 2 elco dengan transformator ct sebesar 5a. Pengiriman cepat pembayaran 100 aman. Shere bagaiman menciptakan power suplay pada trafo yang tidak ada ct nya hanya mempunyai lilitan 0 hingga 25 volt.
Source: adaptorkita.blogspot.com
Rangkaian power supply ct dengan output single 12v untuk membangun sebuah power suplay yang bagus tentunya bisa kita lakuka rangkaian elektronik elektronik led. Alasan untuk membuat sendiri rangkaian power supply variable tentu saja berbeda bagi tiap orang, namun kita memiliki peluang yang sama untuk mewujudkan. Thunderin power supply 12v/20a jaring. Tmezon 12 volt 2a power adapter supply ac to dc 2.1mm x 5.5mm plug 12v 2 amp power supply wall plug extra long 8 foot cord. Rangkaian timer sederhana ic 555 dengan relay.
Source: stc-sharing.blogspot.com
Cara membuat rangkaian adaptor 12 volt 3 ampere. Seperti apa kejelasannya, mari kita ulas lengkap mengenai skema power supply […] Trafo jenis ini biasanya tidak menggunakan center tap namun menggunakan dua output tegangan sekunder 0 volt dan vn volt , dimana vn adalah tegangan tertentu yang disesuaikan dengan jumlah gulungan yang dibuat. Komponen yang diperlukan, siapkan komponen berikut ini untuk membuat power supply dc 12 volt nah, sekarang membaca skema dan merangkai power supply di pcb! Tmezon 12 volt 2a power adapter supply ac to dc 2.1mm x 5.5mm plug 12v 2 amp power supply wall plug extra long 8 foot cord.
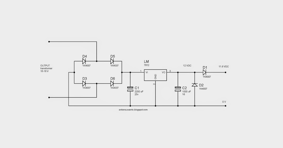
Source: antonsuwanto.blogspot.com
Akan tetapi untuk power supply keperluan khusus seperti yang sering kita pergunakan di laboratorium power supply pada umumnya dapat diatur dari 0 volt hingga 33 volt. Kayaknya adaptor yg dijual disini gak ada yg (4 ampere,24 volt) rencananya, saya mau rakit power suplly sendiri. Dibawah ini merupakan rangkaian power supply 24 vdc stabil dengan arus 3 ampere. Trafo jenis ini biasanya tidak menggunakan center tap namun menggunakan dua output tegangan sekunder 0 volt dan vn volt , dimana vn adalah tegangan tertentu yang disesuaikan dengan jumlah gulungan yang dibuat. Akan tetapi untuk power supply keperluan khusus seperti yang sering kita pergunakan di laboratorium power supply pada umumnya dapat diatur dari 0 volt hingga 33 volt.
Source: rangkaianelektronika.info
Rangkaian timer sederhana ic 555 dengan relay. C1 = elco 2200 uf/35. Rangkaian power supply 12 volt 5 ampere ini jika diukur menggunakan m. Elco sesudah kiprok / bridge rectifier silahkan menyesuaikan saja. Dibawah ini merupakan rangkaian power supply 24 vdc stabil dengan arus 3 ampere.
Source: riyansblog.blogspot.com
Komponen yang diperlukan, siapkan komponen berikut ini untuk membuat power supply dc 12 volt nah, sekarang membaca skema dan merangkai power supply di pcb! Cara membuat adaptor power supply 12 volt sederhana mungkin anda saat ini sedang membutuhkan adaptor tepat sekali anda berkunjung disini. Berdsarkan gambar rangkaian power supply diatas t1 adalah transformator jenis step down tanpa ct. Akan tetapi untuk power supply keperluan khusus seperti yang sering kita pergunakan di laboratorium power supply pada umumnya dapat diatur dari 0 volt hingga 33 volt. Rangkaian dasar power supply tanpa trafo rangkaian regulator power.
Source: id.pinterest.com
Alasan untuk membuat sendiri rangkaian power supply variable tentu saja berbeda bagi tiap orang, namun kita memiliki peluang yang sama untuk mewujudkan. Skema power supply ct, rangkaian power supply 12 volt 5 ampere ct, rangkaian power supply ct 24 volt, power supply simetris 32 volt, rangkaian power supply 12 volt 3 ampere ct, cara membuat power supply untuk tone control, rangkaian adaptor ct, rangkaian power supply 32 volt 5 ampere, konsep 65+ rangkaian power supply ct. Power supply variabel 10 ampere sekarang saya menggunakan power supply ini, cukup low noise, sederhana dan stabil. Rangkaian power supply 12 volt 5 ampere ini jika diukur menggunakan m. Suplai rangkaiannya yakni relay sebesar 12 v.
Source: syarif-projects.blogspot.com
Skema power supply ct, rangkaian power supply 12 volt 5 ampere ct, rangkaian power supply ct 24 volt, power supply simetris 32 volt, rangkaian power supply 12 volt 3 ampere ct, cara membuat power supply untuk tone control, rangkaian adaptor ct, rangkaian power supply 32 volt 5 ampere, konsep 65+ rangkaian power supply ct. Skema adaptor 5 ampere 12 volt menggunakan trafo ct & non ct. Trafo 5 ampere ct 2 buah. Akan tetapi untuk power supply keperluan khusus seperti yang sering kita pergunakan di laboratorium power supply pada umumnya dapat diatur dari 0 volt hingga 33 volt. Untuk elco gunakan minimal 2200uf50v agar out tegangan bisa bersih dan tidak dengung.
Source: azlizank.wordpress.com
Saya pakai untuk supply + 12 volt (untuk rangkaian oscillator dan driver). Elcodengan bahan diatas kita sudah bisa membuat satu adaptor tentunya dengan alat pendukung. Trafo 5 ampere ct 2 buah. Pengiriman cepat pembayaran 100 aman. Masputz 27.6.15 elektronik , merakit rangkaian.
This site is an open community for users to do submittion their favorite wallpapers on the internet, all images or pictures in this website are for personal wallpaper use only, it is stricly prohibited to use this wallpaper for commercial purposes, if you are the author and find this image is shared without your permission, please kindly raise a DMCA report to Us.
If you find this site good, please support us by sharing this posts to your preference social media accounts like Facebook, Instagram and so on or you can also save this blog page with the title rangkaian power supply 12 volt 5 ampere ct by using Ctrl + D for devices a laptop with a Windows operating system or Command + D for laptops with an Apple operating system. If you use a smartphone, you can also use the drawer menu of the browser you are using. Whether it’s a Windows, Mac, iOS or Android operating system, you will still be able to bookmark this website.




