Rangkaian Joule Thief Yang Benar. Sirkuit ini juga dikenal dengan. Rangkaian joule thief atau pencuri energi adalah rangkaian untuk menaikkan atau menaikkan atau melipatgandakan tegangan. Nah.inilah yang duga�an sementara saya menjadi kunci dari kesuksesan dalam membuat joule thief mini inverter 3v to 220v ac led light yang memiliki efisiensi yang begitu luar biasa. Membuat rangkaian joule thief sederhana.
31+ Skema Mini Inverter 3v Ke 220v From mesinpotongrumputt.blogspot.com
Inverter pada dasarnya bekerja mengubah daya listrik dc dengan voltase kecil menjadi ac dengan voltase yang lebih besar sampai beberapa kali lipat. Macam macam skema joule thief berikut di bawah ini saya upload berbagai skema rangkaian joule thief yang saya dapat dari googling dan. Joule thief, joule adalah satuan internasional untuk energi dan thief artinya pencuri. Sebagai mana yang telah saya lakukan sebelumnya pada saat test rangkaian ini selama lebih dari 20 jam nonstop, saya juga menggunakan batterey jenis ini. Rangkaian ini bisa mengoprasikan rangkaian / komponen lain dengan tegangan sumber yang kurang. Sesuai namanya pencuri energi, rangkaian ini akan mencuri energi yang masih tersimpan pada sumber energi / sumber tegangan.
Karena saya tidak punya lampu sebanyak itu untuk mencoba.hehe.
Berikut ini adalah foto rangkaian joule thief dengan lilitan tanpa inti ferit. Rangkaian ini bisa mengoprasikan rangkaian / komponen lain dengan tegangan sumber yang kurang. Sesuai namanya pencuri energi, rangkaian ini akan mencuri energi yang masih tersimpan pada sumber energi / sumber tegangan. Rangkaian joule thief atau pencuri energi adalah rangkaian untuk menaikkan atau menaikkan atau melipatgandakan tegangan. Sesuai namanya pencuri energi, rangkaian ini akan mencuri energi yang masih tersimpan pada sumber energi / sumber tegangan. Sesuatu yang berkaitan tentang penciptaan free energy memang suatu topik yang sangat ngetrend sekali.
Source: pinterest.jp
Joule thief, joule adalah satuan internasional untuk energi dan thief artinya pencuri. Bahkan ada yang berhasil membuat joule thief tanpa inti apapun (hanya menggunakan udara). Rangkaian joule thief selasa, 10 januari 2017. Menyalakan lampu led 220v ac dengan rangkaian joule thief mini inverter memang asik dan seru. Joule thief adalah sebuah rangkaian yang biasa di sebut dengan rangkaian pencuri daya yang bekerja dengan menguras daya dari suatu sumber daya misalnya baterai dan aki.
Source: pinterest.com
Membuat rangkaian joule thief sederhana. Rangkaian ini bisa mengoprasikan rangkaian / komponen lain dengan tegangan sumber yang kurang. Macam macam skema joule thief berikut di bawah ini saya upload berbagai skema rangkaian joule thief yang saya dapat dari googling dan. Dengan semangat tersebut, mari sobat elektro circuit kita coba menyalakan lampu led. Rangkaian ini bisa mengoprasikan rangkaian / komponen lain dengan tegangan sumber yang kurang.
Source: ideskema.blogspot.com
Rangkaian charger ini mempunyai tegangan output 12v. Joule thief high voltage (bagian 2): Membuat rangkaian joule thief sederhana. Rangkaian ini bisa mengoprasikan rangkaian / komponen lain dengan tegangan sumber yang kurang. Berikut ini adalah contoh ferit yang diambil dari radio serta demonstrasi joule thiefnya beserta skemanya.
Source: mesinpotongrumputt.blogspot.com
Jadi rangkaian joule thief ini bukan memperkuat, menambah ataupun memperbaharui Sirkuit ini juga dikenal dengan nama lain seperti dering joule atau memblokir osilator. Pada kesempatan ini saya memposting rangkaian elektronik joule thief, yaitu rangkaian yang bisa menyalakan lampu led yang teganganya 3v menggunakan 1 baterai aa yang bertegangan 1,5v. Joule thief adalah sebuah rangkaian yang biasa di sebut dengan rangkaian pencuri daya yang bekerja dengan menguras daya dari suatu sumber daya misalnya baterai dan aki. Berikut ini adalah contoh ferit yang diambil dari radio serta demonstrasi joule thiefnya beserta skemanya.
Source: hobyfauzi.blogspot.com
Menyalakan lampu led 220v ac dengan rangkaian joule thief mini inverter memang asik dan seru. Bahkan ada yang berhasil membuat joule thief tanpa inti apapun (hanya menggunakan udara). Rangkaian joule thief terdiri satu buah transformator atau toroida. Dari percobaan saya, rangkaian joule thief ini mampu menyalakan hingga 10 lampu led putih hanya dengan 1 buah baterai bekas, bahkan diluar sana ada yang telah mencoba hingga ratusan lampu led dan berhasil, tapi entahlah. Rangkaian joule thief atau pencuri energi adalah rangkaian untuk menaikkan atau menaikkan atau melipatgandakan tegangan.
Source: mitrabaterai.blogspot.com
Rangkaian lampu darurat dengan inverter joule thief. Bahkan ada yang berhasil membuat joule thief tanpa inti apapun (hanya menggunakan udara). Dari pengamatan saya, memakai 1 atau banyak lampu.intensitas. Dari percobaan saya, rangkaian joule thief ini mampu menyalakan hingga 10 lampu led putih hanya dengan 1 buah baterai bekas, bahkan diluar sana ada yang telah mencoba hingga ratusan lampu led dan berhasil, tapi entahlah. Rangkaian ini bisa mengoprasikan rangkaian / komponen lain dengan tegangan sumber yang kurang.
Source: dadanpurnama.com
Macam macam skema joule thief berikut di bawah ini saya upload berbagai skema rangkaian joule thief yang saya dapat dari googling dan. Nah.inilah yang duga�an sementara saya menjadi kunci dari kesuksesan dalam membuat joule thief mini inverter 3v to 220v ac led light yang memiliki efisiensi yang begitu luar biasa. Rangkaian charger ini mempunyai tegangan output 12v. Rangkaian joule thief atau pencuri energi adalah rangkaian untuk menaikkan atau menaikkan atau melipatgandakan tegangan. Menyalakan cfl dengan baterai 3 volt.
Source: mesinpotongkertass.blogspot.com
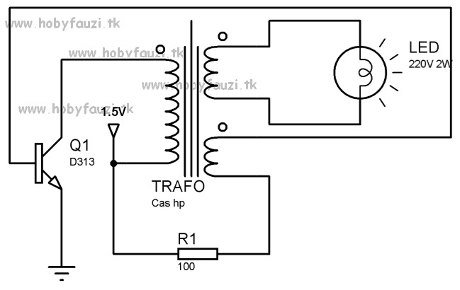
Sesuai namanya pencuri energi, rangkaian ini akan mencuri energi yang masih tersimpan pada sumber energi / sumber tegangan. Penggunaan toroid kecil membuat susah waktu melilit karena harus menggunakan kawat email. Jadi tidak akan terjadi lampu menyala sangat terang di fase awal dan kemudian meredup dengan lebih cepat. Rangkaian ini biasanya digunakan untuk menyalakan peralatan elektronik yang membutuhkan arus rendah seperti lampu led. Hasil akhir rangkaian joule thief menggunakan trafo cas hp lampu menyala konstan dengan intensitas yang mencukupi dengan waktu yang lebih lama.
Source: uismale.blogspot.com
Joule thief, joule adalah satuan internasional untuk energi dan thief artinya pencuri. Hasil akhir rangkaian joule thief menggunakan trafo cas hp lampu menyala konstan dengan intensitas yang mencukupi dengan waktu yang lebih lama. Sebuah shield yang dikonfigurasi dengan benar dapat membaca pin tegangan ioref sehingga dapat memilih sumber daya yang tepat agar dapat bekerja dengan 5v atau 3.3v.mengapa harus arduino (beberapa kelebihan)ada banyak sistem berbasis mikrokontroler lain atau platform mikrokontroler yang tersedia. Rangkaian lampu darurat dengan inverter joule thief. Sirkuit ini juga dikenal dengan nama lain seperti dering joule atau memblokir osilator.
Source: pinterest.fr
Menyalakan cfl dengan baterai 3 volt. Sebuah shield yang dikonfigurasi dengan benar dapat membaca pin tegangan ioref sehingga dapat memilih sumber daya yang tepat agar dapat bekerja dengan 5v atau 3.3v.mengapa harus arduino (beberapa kelebihan)ada banyak sistem berbasis mikrokontroler lain atau platform mikrokontroler yang tersedia. Jadi rangkaian joule thief ini bukan memperkuat, menambah ataupun memperbaharui Apa dan bagaimana cara kerja joule thief. Rangkaian lampu darurat dengan inverter joule thief.
Source: nyakmad.blogspot.com
Pada kesempatan ini saya memposting rangkaian elektronik joule thief, yaitu rangkaian yang bisa menyalakan lampu led yang teganganya 3v menggunakan 1 baterai aa yang bertegangan 1,5v. Jadi rangkaian joule thief ini bukan memperkuat, menambah ataupun memperbaharui Sesuai namanya pencuri energi, rangkaian ini akan mencuri energi yang masih tersimpan pada sumber energi / sumber tegangan. Joule thief, joule adalah satuan internasional untuk energi dan thief artinya pencuri. Sirkuit ini juga dikenal dengan nama lain seperti dering joule atau memblokir osilator.
Source: pdfmaster21.blogspot.com
Membuat rangkaian joule thief sederhana. Dari percobaan saya, rangkaian joule thief ini mampu menyalakan hingga 10 lampu led putih hanya dengan 1 buah baterai bekas, bahkan diluar sana ada yang telah mencoba hingga ratusan lampu led dan berhasil, tapi entahlah. Karena saya tidak punya lampu sebanyak itu untuk mencoba.hehe. Dari percobaan saya, rangkaian joule thief ini mampu menyalakan hingga 10 lampu led putih hanya dengan 1 buah baterai bekas, bahkan diluar sana ada yang telah mencoba hingga ratusan lampu led dan berhasil, tapi entahlah. Jadi rangkaian joule thief ini bukan memperkuat, menambah ataupun memperbaharui energi dan.
Source: caratekno.com
Sirkuit ini juga dikenal dengan nama lain seperti dering joule atau memblokir osilator. Rangkaian battery charger sederhana ini benar benar hanya memerlukan komponen yang sedikit. Joule thief, joule adalah satuan internasional untuk energi dan thief artinya pencuri. Joule thief (pencuri energi) adalah penguat tegangan osilasi diri minimalis yang kecil, berbiaya rendah, dan mudah dibuat, biasanya digunakan untuk menggerakkan beban kecil misalnya lampu led atau dinamo dc. Membuat rangkaian joule thief sederhana.
Source: harisvoltelektro.blogspot.com
Sesuai namanya pencuri energi, rangkaian ini akan mencuri energi yang masih tersimpan pada sumber energi / sumber tegangan. Rangkaian ini tidak hanya dapat menyalakan 1 buah lampu led saja, bahkan sampai 37 buah lampu. Jika kita amati terdapat rangkaian elektronik diantaranya, rangkaian itu biasanya sering disebut joule thief. Di dunia maya maya 😀 seperti facebook banyak sekali saya melihat teman teman asik mengupload project joule thief mereka masing masing, yaitu rangkaian yang dapat menyalakan beberapa buah lampu hanya dengan menggunakan sebuah batterai kecil. Sebuah shield yang dikonfigurasi dengan benar dapat membaca pin tegangan ioref sehingga dapat memilih sumber daya yang tepat agar dapat bekerja dengan 5v atau 3.3v.mengapa harus arduino (beberapa kelebihan)ada banyak sistem berbasis mikrokontroler lain atau platform mikrokontroler yang tersedia.
Source: elektrue.blogspot.com
Penggunaan toroid kecil membuat susah waktu melilit karena harus menggunakan kawat email. Sesuai namanya pencuri energi, rangkaian ini akan mencuri energi yang masih tersimpan pada sumber energi / sumber tegangan. Berikut ini adalah foto rangkaian joule thief dengan lilitan tanpa inti ferit. Jaringan joule thief memang sangat mantap, hanya dengan satu buah baterai tipe 1,5 volt aa ataupun tipe aaa sebuah lampu led bisa menyala terang soal hemat jangan ditanya lagi, super hemat, bahkan pakai battery bekas contoh battery bekas jam dinding masih mampu untuk menyalakan sebuah lampu led. Dari pengamatan saya, memakai 1 atau banyak lampu.intensitas.
Source: ideskema.blogspot.com
Rangkaian joule thief terdiri satu buah transformator atau toroida. Berikut ini adalah foto rangkaian joule thief dengan lilitan tanpa inti ferit. Induktor dapat menyimpan energi dalam bentuk medan magnet yang ditimbulkan dari arus listrik yang melewatinya. Dengan semangat tersebut, mari sobat elektro circuit kita coba menyalakan lampu led. Rangkaian battery charger sederhana ini benar benar hanya memerlukan komponen yang sedikit.
Source: ideskema.blogspot.com
Jaringan joule thief memang sangat mantap, hanya dengan satu buah baterai tipe 1,5 volt aa ataupun tipe aaa sebuah lampu led bisa menyala terang soal hemat jangan ditanya lagi, super hemat, bahkan pakai battery bekas contoh battery bekas jam dinding masih mampu untuk menyalakan sebuah lampu led. Dari percobaan saya, rangkaian joule thief ini mampu menyalakan hingga 10 lampu led putih hanya dengan 1 buah baterai bekas, bahkan diluar sana ada yang telah mencoba hingga ratusan lampu led dan berhasil, tapi entahlah. Joule thief high voltage (bagian 2): Inverter pada dasarnya bekerja mengubah daya listrik dc dengan voltase kecil menjadi ac dengan voltase yang lebih besar sampai beberapa kali lipat. Sesuai namanya pencuri energi, rangkaian ini akan mencuri energi yang masih tersimpan pada sumber energi / sumber tegangan.
Source: kaskus.co.id
Bahkan ada yang berhasil membuat joule thief tanpa inti apapun (hanya menggunakan udara). Rangkaian ini bisa mengoprasikan rangkaian / komponen lain dengan tegangan sumber yang kurang. Joule thief adalah sebuah rangkaian yang biasa di sebut dengan rangkaian pencuri daya yang bekerja dengan menguras daya dari suatu sumber daya misalnya baterai dan aki. Joule thief high voltage (bagian 2): Joule thief, joule adalah satuan internasional untuk energi dan thief artinya pencuri.
This site is an open community for users to submit their favorite wallpapers on the internet, all images or pictures in this website are for personal wallpaper use only, it is stricly prohibited to use this wallpaper for commercial purposes, if you are the author and find this image is shared without your permission, please kindly raise a DMCA report to Us.
If you find this site helpful, please support us by sharing this posts to your favorite social media accounts like Facebook, Instagram and so on or you can also bookmark this blog page with the title rangkaian joule thief yang benar by using Ctrl + D for devices a laptop with a Windows operating system or Command + D for laptops with an Apple operating system. If you use a smartphone, you can also use the drawer menu of the browser you are using. Whether it’s a Windows, Mac, iOS or Android operating system, you will still be able to bookmark this website.




