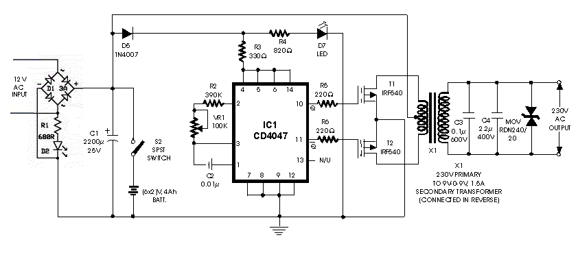
Rangkaian Inverter Sederhana. Rangkaian inverter sederhana 300 watt rangkaian rangkaian inverter sederhana 300 watt rangkaian inverter pada gambar dibawah berfungsi untuk mengubah tengan dc 24 volt menjadi tegangan ac 220 volt dengan daya output 300 watt dan frekuensi 50 hz rangkaian inverter ini menggunakan ic ne555 sebagai pembangkit pulsa untuk rangkaian inverter 300. Rangkaian inverter 12 v ke 220 v 1000 watt sederhana berikut adalah skema rangkaian inverter sederhana 12 volt dc menjadi 220 volt dc dengan 1000 watt yang mudah sekali anda buat sendiri. Cara membuat trafo las listrik sendiri memang tidak mudah, setidaknya kita harus memahami seperti apa skema rangkaian las listrik sederhana buatan sendiri sehingga tidak bingung menemukan apa yang kiranya cocok dijadikan sebagai bahan pertimbangan sebelum memilih jenis mesin las yang. 1 buah lampu neon 5 watt dan;
rangkaian_inverter sederhana Sederhana, Belajar, Guru From pinterest.com
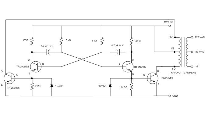
Rangkaian penerima fm satu transistor. Secara sederhana prinsip dasar inverter untuk dapat mengubah. Rangkaian fm / air craft band / vhf regeneratif receiver. Rangkaian inverter sederhana menggunakan transistor 2n3055. Rangkaian inverter dc ke ac. Komponen utama yang kamu butuhkan untuk membuat rangkaian dc to ac adalah baterai 12v, transistor 2n2222, 2 buah mosfet irf 630, 2 buah kapasitor 2.2uf, 2 buah.
Skema rangkaian las listrik rakitan dengan trafo inverter.
Secara sederhana prinsip dasar inverter untuk dapat mengubah. Rangkaian inverter dc ke ac. Sebuah inverter tentunya sangat berguna untuk sebagian orang seperti contoh saat listrik padam, anda dapat memanfaatkan listrik dc dari baterai ataupun aki untuk. Rangkaian vhf / aircraft band receiver. Dan biasanya rangkaian inverter ini memiliki alat untuk mengatur tegangan dan frekuensi yang dibutuhkan. Rangkaian fm / air craft band / vhf regeneratif receiver.
Source: pinterest.com
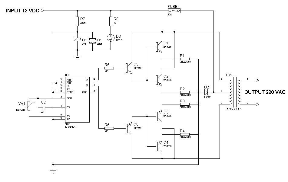
Skema mesin las inverter lakoni 120e, skema las listrik gacun, skema mesin las rhino, skema pwm las lakoni, buat las listrik dari gacun, cara buat las dari gacun, skema mesin las. Kamu bisa mencoba membuat sendiri inverter dengan menggunakan rangkaian sederhana di atas. Sebuah rangkaian dasar inverter 3 phase tunggal sederhana terdiri dari 3 buah inveter 1 phase dengan menggunakan mosfet daya power mosfet sebagai sakelar diperlihatkan pada gambar dibawah. Aplikasi rangkaian inverter 12v ke 220vac. Rangkaian inverter sederhana memiliki tegangan tinggi dengan daya tampung yang cukup besar.
Source: m-sealtop.blogspot.com
Inverter 12v ke 12v ct cara merubah power ampli ct menjadi dc aki jadi simetris cara menaikan tegangan 12v ke 48v rangkaian inverter sangat sederhana model menarik dapat kalian buat kalau kita pintar dalam membuat kreativitas yang berkaitan dengan teknologi terbaru. Rangkaian inverter dc ke ac. We would like to show you a description here but the site won’t allow us. Pada intinya, dengan adanya contoh rangkaian inverter akan memudahkan kita memanfaatkan berbagai fungsi di dalamnya. Meski rangkaian inverter di atas terlihat sederhana dan tidak membutuhkan banyak komponen elektronika, tetapi daya inverter yang dihasilkan terbukti.
Source: arjunapogal.blogspot.com
Dioda penyearah memiliki 2 kaki yaitu katoda dan anoda. Komponen utama yang kamu butuhkan untuk membuat rangkaian dc to ac adalah baterai 12v, transistor 2n2222, 2 buah mosfet irf 630, 2 buah kapasitor 2.2uf, 2 buah. Skema mesin las inverter lakoni 120e, skema las listrik gacun, skema mesin las rhino, skema pwm las lakoni, buat las listrik dari gacun, cara buat las dari gacun, skema mesin las. Rangkaian inverter sederhana memiliki pengertian sebagai alat untuk mengubah tegangan arus dc atau biasa disebut arus searah menjadi arus ac atau bolak balik. Contoh rangkaian inverter sederhana 2n3055.
Source: usahahobi.com
Skema rangkaian las listrik rakitan dengan trafo inverter. Sebelum membuatnya, pastikan anda telah meluangkan alat dan komponen guna merangkainya nanti. Bisa dimanfatkan dengan generator motor ac yang berdaya rendah. Rangkaian penerima fm satu transistor. Rangkaian inverter dc ke ac yang akan dishare kali ini adalah sebuah rangkaian sederhana yang fungsinya untuk mengkonversikan arus dc (direct current) seperti dari baterai aki maupun solar cell menjadi ke bentuk arus ac (alternating current).
Source: tehnisikecil.com
Cara membuat trafo las listrik sendiri memang tidak mudah, setidaknya kita harus memahami seperti apa skema rangkaian las listrik sederhana buatan sendiri sehingga tidak bingung menemukan apa yang kiranya cocok dijadikan sebagai bahan pertimbangan sebelum memilih jenis mesin las yang. Rangkaian inverter dc ke ac. Inverter seperti ini umumnya difungsikan untuk menaikkan tegangan yang di dapat dari baterai. Dioda penyearah memiliki 2 kaki yaitu katoda dan anoda. Aplikasi rangkaian inverter 12v ke 220vac.
Source: heybali.com
Rangkaian inverter dc ke ac yang akan dishare kali ini adalah sebuah rangkaian sederhana yang fungsinya untuk mengkonversikan arus dc (direct current) seperti dari baterai aki maupun solar cell menjadi ke bentuk arus ac (alternating current). Meski rangkaian inverter di atas terlihat sederhana dan tidak membutuhkan banyak komponen elektronika, tetapi daya inverter yang dihasilkan terbukti. Rangkaian inverter sederhana 300 watt rangkaian rangkaian inverter sederhana 300 watt rangkaian inverter pada gambar dibawah berfungsi untuk mengubah tengan dc 24 volt menjadi tegangan ac 220 volt dengan daya output 300 watt dan frekuensi 50 hz rangkaian inverter ini menggunakan ic ne555 sebagai pembangkit pulsa untuk rangkaian inverter 300. 1 buah lampu neon 5 watt dan; Modifikasi rangkaian inverter untuk menaikkan daya cukup dengan paralel sepasang penguat mosfet saja sudah beres;
Source: rangkaianelektronika.info
Rangkaian inverter 12 v ke 220 v 1000 watt sederhana berikut adalah skema rangkaian inverter sederhana 12 volt dc menjadi 220 volt dc dengan 1000 watt yang mudah sekali anda buat sendiri. Poin pembahasan 45+ rangkaian las inverter sederhana adalah : Skema rangkaian inverter sederhana merubah dc ke ac sendiri memang menarik saat kita mengetahui cara membuat inverter kecil yang memiliki skema sedikit sehingga rangkaian inverter sederhana tersebut dapat dibuat tanpa bahan yang ribet, sehingga dapat kita selesaikan dengan seksama tanpa melibatkan banyak komponen didalamnya. Secara sederhana pengertian inverter adalah sebuah perangkat atau rangkaian elektronika yang berfungsi untuk mengubah atau mengkonversikan arus tegangan searah (dc) menjadi arus tegangan bolak balik (ac) sehingga cara kerja inverter adalah kebalikan dari power supply converter seperti misalnya charger handphone, power supply sederhana, charger bor mini dan. Aplikasi rangkaian inverter 12v ke 220vac.
Source: contohpidatodansoallengkap288.blogspot.com
Sebuah rangkaian dasar inverter 3 phase tunggal sederhana terdiri dari 3 buah inveter 1 phase dengan menggunakan mosfet daya power mosfet sebagai sakelar diperlihatkan pada gambar dibawah. Dan biasanya rangkaian inverter ini memiliki alat untuk mengatur tegangan dan frekuensi yang dibutuhkan. Rangkaian inverter sangat sederhana sekali; Sebuah inverter tentunya sangat berguna untuk sebagian orang seperti contoh saat listrik padam, anda dapat memanfaatkan listrik dc dari baterai ataupun aki untuk. Rangkaian inverter ini bisa dimanfaatkan pada kendaraan dengan tegangan aki 12v yang nanti berfungsi sebagai charger darurat sederhana.
Source: pintarelektro.com
Rangkaian inverter memang di perlukan, karena dapat mengubah arus tegangan. Secara sederhana prinsip dasar inverter untuk dapat mengubah. Skema mesin las inverter lakoni 120e, skema las listrik gacun, skema mesin las rhino, skema pwm las lakoni, buat las listrik dari gacun, cara buat las dari gacun, skema mesin las. Aplikasi rangkaian inverter 12v ke 220vac. Sebelum membuatnya, pastikan anda telah meluangkan alat dan komponen guna merangkainya nanti.
Source: komponenmesinn.blogspot.com
Kamu bisa mencoba membuat sendiri inverter dengan menggunakan rangkaian sederhana di atas. Rangkaian inverter 12 v ke 220 v 1000 watt sederhana berikut adalah skema rangkaian inverter sederhana 12 volt dc menjadi 220 volt dc dengan 1000 watt yang mudah sekali anda buat sendiri. Modifikasi rangkaian inverter untuk menaikkan daya cukup dengan paralel sepasang penguat mosfet saja sudah beres; 1 inverter 1 fasa 2 inverter 3 fasa. Sebuah rangkaian dasar inverter 3 phase tunggal sederhana terdiri dari 3 buah inveter 1 phase dengan menggunakan mosfet daya power mosfet sebagai sakelar diperlihatkan pada gambar dibawah.
Source: ideskema.blogspot.com
Rangkaian inverter sederhana menggunakan transistor 2n3055. Rangkaian inverter sederhana menggunakan transistor 2n3055. Sebelum membuatnya, pastikan anda telah meluangkan alat dan komponen guna merangkainya nanti. Rangkaian fm / air craft band / vhf regeneratif receiver. Skema mesin las inverter lakoni 120e, skema las listrik gacun, skema mesin las rhino, skema pwm las lakoni, buat las listrik dari gacun, cara buat las dari gacun, skema mesin las.
Source: asdzuli.blogspot.com
Inverter seperti ini umumnya difungsikan untuk menaikkan tegangan yang di dapat dari baterai. Komponen utama yang kamu butuhkan untuk membuat rangkaian dc to ac adalah baterai 12v, transistor 2n2222, 2 buah mosfet irf 630, 2 buah kapasitor 2.2uf, 2 buah. Inverter 12v ke 12v ct cara merubah power ampli ct menjadi dc aki jadi simetris cara menaikan tegangan 12v ke 48v rangkaian inverter sangat sederhana model menarik dapat kalian buat kalau kita pintar dalam membuat kreativitas yang berkaitan dengan teknologi terbaru. We would like to show you a description here but the site won’t allow us. Rangkaian inverter ini bisa dimanfaatkan pada kendaraan dengan tegangan aki 12v yang nanti berfungsi sebagai charger darurat sederhana.
Source: julybrahmana.blogspot.com
Cara membuat rangkaian inverter sederhana skema rangkaian inverter sederhana. Skema rangkaian las listrik rakitan dengan trafo inverter. We would like to show you a description here but the site won’t allow us. Contoh rangkaian inverter sederhana 2n3055. Rangkaian inverter dc ke ac.
Source: telecomeng.blogspot.com
Rangkaian inverter dc ke ac yang akan dishare kali ini adalah sebuah rangkaian sederhana yang fungsinya untuk mengkonversikan arus dc (direct current) seperti dari baterai aki maupun solar cell menjadi ke bentuk arus ac (alternating current). Rangkaian inverter memang di perlukan, karena dapat mengubah arus tegangan. Bisa dimanfatkan dengan generator motor ac yang berdaya rendah. Sederhananya, suatu power inverter yang dapat mengubah arus listrik dc ke arus listrik ac ini hanya terdiri dari rangkaian osilator, rangkaian saklar (switch) dan sebuah transformator (trafo) ct seperti yang ditunjukan pada gambar dibawah ini. Rangkaian inverter sederhana sudah pure sine wave pasti jadi 100% work telah lolos uji coba dan output stabil 220 vac saat ada beban.
Source: contohpidatodansoallengkap288.blogspot.com
Bisa diterapkan sebagai inverter sederhana unutk pembangkit surya. Rangkaian vhf / aircraft band receiver. Rangkaian inverter sangat sederhana sekali; We would like to show you a description here but the site won’t allow us. Sederhananya, suatu power inverter yang dapat mengubah arus listrik dc ke arus listrik ac ini hanya terdiri dari rangkaian osilator, rangkaian saklar (switch) dan sebuah transformator (trafo) ct seperti yang ditunjukan pada gambar dibawah ini.
Source: panduanteknisi.com
Cara membuat rangkaian inverter sederhana skema rangkaian inverter sederhana. Contoh rangkaian inverter sederhana 2n3055. Pada intinya, dengan adanya contoh rangkaian inverter akan memudahkan kita memanfaatkan berbagai fungsi di dalamnya. Bisa dimanfatkan dengan generator motor ac yang berdaya rendah. Rangkaian inverter sederhana memakai transistor 2n3055 sangat bermanfaat bagi kamu yang sering melakukan aktivitas di luar ruangan seperti mendaki, berkemah, kemping, atau melakukan perjalanan menyusuri hutan.
Source: insanbiasa26.blogspot.com
Inverter seperti ini umumnya difungsikan untuk menaikkan tegangan yang di dapat dari baterai. Inverter 12v ke 12v ct cara merubah power ampli ct menjadi dc aki jadi simetris cara menaikan tegangan 12v ke 48v rangkaian inverter sangat sederhana model menarik dapat kalian buat kalau kita pintar dalam membuat kreativitas yang berkaitan dengan teknologi terbaru. Inverter seperti ini umumnya difungsikan untuk menaikkan tegangan yang di dapat dari baterai. Rangkaian inverter dc ke ac yang akan dishare kali ini adalah sebuah rangkaian sederhana yang fungsinya untuk mengkonversikan arus dc (direct current) seperti dari baterai aki maupun solar cell menjadi ke bentuk arus ac (alternating current). Rangkaian inverter sederhana memakai transistor 2n3055 sangat bermanfaat bagi kamu yang sering melakukan aktivitas di luar ruangan seperti mendaki, berkemah, kemping, atau melakukan perjalanan menyusuri hutan.
Source: rung-karuan.blogspot.com
Contoh rangkaian inverter sederhana 2n3055. Rangkaian inverter sederhana memakai transistor 2n3055 sangat bermanfaat bagi kamu yang sering melakukan aktivitas di luar ruangan seperti mendaki, berkemah, kemping, atau melakukan perjalanan menyusuri hutan. Sebuah inverter tentunya sangat berguna untuk sebagian orang seperti contoh saat listrik padam, anda dapat memanfaatkan listrik dc dari baterai ataupun aki untuk. Skema mesin las inverter lakoni 120e, skema las listrik gacun, skema mesin las rhino, skema pwm las lakoni, buat las listrik dari gacun, cara buat las dari gacun, skema mesin las. Rangkaian inverter 12 v ke 220 v 1000 watt sederhana berikut adalah skema rangkaian inverter sederhana 12 volt dc menjadi 220 volt dc dengan 1000 watt yang mudah sekali anda buat sendiri.
This site is an open community for users to submit their favorite wallpapers on the internet, all images or pictures in this website are for personal wallpaper use only, it is stricly prohibited to use this wallpaper for commercial purposes, if you are the author and find this image is shared without your permission, please kindly raise a DMCA report to Us.
If you find this site convienient, please support us by sharing this posts to your favorite social media accounts like Facebook, Instagram and so on or you can also save this blog page with the title rangkaian inverter sederhana by using Ctrl + D for devices a laptop with a Windows operating system or Command + D for laptops with an Apple operating system. If you use a smartphone, you can also use the drawer menu of the browser you are using. Whether it’s a Windows, Mac, iOS or Android operating system, you will still be able to bookmark this website.




