Dua Buah Sumber Tegangan Dua Buah Hambatan Identik. Tentukan (a) hambatan dalam lampu, (b) arus yang mengalir pada lampu, dan (d) daya yang diserap lampu. Mikrajudin abdullah berisi materi fisika dasar ii yang umum digunakan di tingkat universitas. Kuat arus yang mengalir pada rangkaian adalah. 5 dua buah lampu dari 2 watt, 1,5 volt dirangkai dengan sebuah baterai 1,5 volt seperti gambar berikut.
Rumus Daya Listrik Pada Baterai Edukasi.Lif.co.id From edukasi.lif.co.id
Berdasarkan tulisan beliau di akun tersebut, Dua buah sakelar, dan sebuah sumber arus listrik. 5 dua buah lampu dari 2 watt, 1,5 volt dirangkai dengan sebuah baterai 1,5 volt seperti gambar berikut. Grafik antara arus yang terbaca pada amperemeter dan besar tegangan. Bila lampu a dilepas dari rangkaian, maka: 25 ohm secara paralel c.
Dua daya total dua lampu identik pada tegangan yang sesuai:
Berdasarkan tulisan beliau di akun tersebut, 20 ohm secara seri dan 25 ohm secara paralel 25 ohm secara seri b. Tentukan besar kuat arus listrik yang mengalir pada rangkaian! Dua buah sakelar, dan sebuah sumber arus listrik. Berdasarkan tulisan beliau di akun tersebut, Dua buah sumber tegangan listrik, dua buah hambatan identik, dan sebuah amperemeter ideal disusun menjadi rangkaian sederhana seperti ditunjukkan pada gambar (a).
Source: smp.prasacademy.com
Hambatan luar r = 1,5 ω dirangkai seperti gambar. Dua buah sumber tegangan identik dengan g2 1,5y a2n hambatan dalam 1a dirangkaian 4cc39r43 paralel, xcm00137 dihubungkan dcnga pi sebuah am00 yang mam414x amb3t 3n 7a berapakah kuat 2709 yang pi ang310 ? Hambatan dalam suatu rangkaian dapat dipasang secara seri, paralel, dan kombinasi keduanya. Dua buah benda bermuatan listrik sejenis tolak menolak dengan gaya sebesar f. Dua buah sumber tegangan, dua buah hambatan identik dan sebuah amperemeter ideal disusun menjadi rangkaian sederhana seperti ditunjukkan pada gambar a.
Source: brainly.co.id
Hambatan luar r = 1,5 ω dirangkai seperti gambar. Materi ipa listrik kelas 6. Dua buah sumber tegangan, dua buah hambatan identik, dan sebuah amperemeter ideal disusun menjadi rangkaian sederhana seperti yang ditunjukkan pada gambar (a). Dua buah sumber tegangan, dua buah hambatan identik dan sebuah amperemeter ideal disusun menjadi rangkaian sederhana seperti ditunjukkan pada gambar a. Kuat arus yang mengalir pada rangkaian adalah.
Source: caripembahasannya.blogspot.com
Kuat arus yang mengalir pada rangkaian adalah. Hambatan luar r = 1,5 ω dirangkai seperti gambar. Dua buah sumber tegangan, dua buah hambatan identik dan sebuah amperemeter ideal disusun menjadi rangkaian sederhana seperti ditunjukkan pada gambar a. Dua buah sumber tegangan, dua buah hambatan identik dan sebuah amperemeter ideal disusun menjadi rangkaian sederhana seperti ditunjukkan pada gambar (a). Tcr02 3t la pi u pijar yang mempunyai tc 2n pi 2n 1t5 pi x 5c5c57r 24 voit dan hambatan
Source: caripembahasannya.blogspot.com
Sebuah lampu bertuliskan 220 v, 50 w dihubungkan dengan sumber tegangan 110 v. Mikrajudin abdullah berisi materi fisika dasar ii yang umum digunakan di tingkat universitas. Dua buah sumber tegangan, dua buah hambatan identik, dan sebuah amperemeter ideal disusun menjadi rangkaian sederhana seperti ditunjukkan pada gambar (a). Hambatan luar r = 1,5 ω dirangkai seperti gambar. Tentukan nilai tegangan sumber v pembahasan mencari kuat arus yang melalui hambatan r 1 dengan prinsip pembagian arus rangkaian paralel :
Source: brainly.co.id
Berikut ini merupakan contoh soal listrik dinamis. Dua buah sumber tegangan, dua buah hambatan identik dan sebuah ampermeter ideal disusun menjadi rangkaian sederhana seperti ditunjukan pada gambar (a). Dua buah sumber tegangan, dua buah hambatan identik, dan sebuah amperemeter ideal disusun menjadi rangkaian sederhana seperti ditunjukkan pada gambar (a). Dua buah sumber tegangan, dua buah hambatan identik, dan sebuah amperemeter ideal disusun menjadi rangkaian sederhana seperti ditunjukkan pada gambar (a). Dua buah sumber tegangan, dua buah hambatan identik dan sebuah amperemeter ideal disusun menjadi rangkaian sederhana seperti ditunjukkan pada gambar a.
Source: brainly.co.id
Dua buah sumber tegangan, dua buah hambatan identik dan sebuah amperemeter ideal disusun menjadi rangkaian sederhana seperti ditunjukkan pada gambar (a). Bila lampu a dilepas dari rangkaian, maka: Sebuah lampu bertuliskan 220 v, 50 w dihubungkan dengan sumber tegangan 110 v. Dua buah sumber tegangan, dua buah hambatan identik, dan sebuah amperemeter ideal disusun menjadi rangkaian sederhana seperti yang ditunjukkan pada gambar (a). 20 ohm secara seri dan 25 ohm secara paralel 25 ohm secara seri b.
Source: brainly.co.id
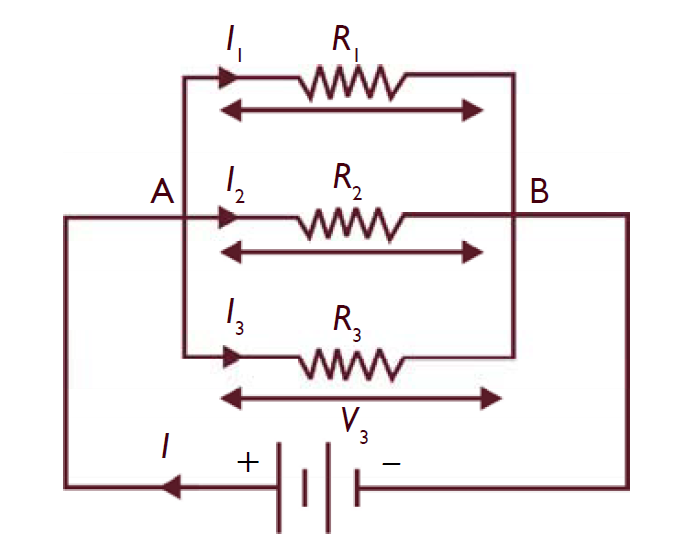
Contoh soal pembahasan listrik dinamis kelas xii 12 soal no 1 utbk 2019 dua buah sumber tegangan dua buah hambatan identik dan sebuah amperemeter ideal disusun menjadi rangkaian sederhana seperti ditunjukkan pada. Dua buah sumber tegangan, dua buah hambatan identik dan sebuah amperemeter ideal disusun menjadi rangkaian sederhana seperti ditunjukkan pada gambar a. Hambatan luar r = 1,5 ω dirangkai seperti gambar. Ketika dua atau lebih hambatan dihubungkan dari ujung ke ujung seperti pada gambar di bawah ini, dikatakan hambatan dihubungkan secara seri. Kemudian, ketiga resistor tersebut dihubungkan dengan suatu sumber tegangan sebesar 1,5 volt.
Source: brainly.co.id
Empat buah lampu identik dirangkai seperti pada gambar dan diberi tegangan sumber e sehingga semua lampu menyala. Dua buah sumber tegangan, dua buah hambatan identik, dan sebuah amperemeter ideal disusun menjadi rangkaian sederhana seperti ditunjukkan pada gambar (a). Mikrajudin abdullah berisi materi fisika dasar ii yang umum digunakan di tingkat universitas. 48 contoh soal listrik dinamis jawaban pembahasannya kelas xii soal no1 utbk 2019 dua buah sumber tegangan dua buah hambatan identik dan sebuah amperemeter ideal disusun menjadi rangkaian sederhana seperti ditunjukkan pada gambar a. Tentukan nilai tegangan sumber v pembahasan mencari kuat arus yang melalui hambatan r 1 dengan prinsip pembagian arus rangkaian paralel :
Source: brainly.co.id
Hambatan luar r = 1,5 ω dirangkai seperti gambar. Tentukan nilai tegangan sumber v pembahasan mencari kuat arus yang melalui hambatan r 1 dengan prinsip pembagian arus rangkaian paralel : Tentukan besar gaya yang terjadi antara dua buah muatan tersebut,. Soal ipa kelas 6 tentang rangkaian listrik. Dua buah benda bermuatan listrik sejenis tolak menolak dengan gaya sebesar f.
Source: lasvegaszenna.web.fc2.com
Dua daya total dua lampu identik pada tegangan yang sesuai: Hambatan luar r = 1,5 ω dirangkai seperti gambar. Dua buah sumber tegangan, dua buah hambatan identik, dan sebuah amperemeter ideal disusun menjadi rangkaian sederhana seperti ditunjukkan pada gambar (a). Dua buah sumber tegangan, dua buah hambatan identik, dan sebuah amperemeter ideal disusun menjadi rangkaian sederhana seperti ditunjukkan pada gambar (a). Tcr02 3t la pi u pijar yang mempunyai tc 2n pi 2n 1t5 pi x 5c5c57r 24 voit dan hambatan
Source: brainly.co.id
Tentukan besar kuat arus listrik yang mengalir pada rangkaian! 48 contoh soal listrik dinamis jawaban pembahasannya kelas xii soal no1 utbk 2019 dua buah sumber tegangan dua buah hambatan identik dan sebuah amperemeter ideal disusun menjadi rangkaian sederhana seperti ditunjukkan pada gambar a. Tentukan besar kuat arus listrik yang mengalir pada. Ggl total dari bateri dan hambatan dalam penggantinya: 25 ohm secara paralel c.
Source: edukasi.lif.co.id
Dua buah sumber tegangan, dua buah hambatan identik dan sebuah ampermeter ideal disusun menjadi rangkaian sederhana seperti ditunjukan pada gambar (a). Hambatan luar r = 1,5 ω dirangkai seperti gambar. 20 ohm secara seri dan 25 ohm secara paralel 25 ohm secara seri b. Dua buah sumber tegangan, dua buah hambatan identik, dan sebuah amperemeter ideal disusun menjadi rangkaian sederhana seperti ditunjukkan pada gambar (a). Dua buah sumber tegangan, dua buah hambatan identik, dan sebuah amperemeter ideal disusun menjadi rangkaian sederhana seperti ditunjukkan pada gambar (a).
Source: brainly.co.id
Dua buah sumber tegangan, dua buah hambatan identik, dan sebuah amperemeter ideal disusun menjadi rangkaian sederhana seperti yang ditunjukkan pada gambar (a). Dua buah sumber tegangan, dua buah hambatan identik, dan sebuah amperemeter ideal disusun menjadi rangkaian sederhana seperti ditunjukkan pada gambar (a). Jika kedua bola lampu tersebut dihubungkan seri pada tegangan 120 volt maka jumlah daya pada kedua bola lampu tersebut adalah. Tentukan besar kuat arus listrik yang mengalir pada rangkaian! Buku ini merupakan karangan prof.
Source: brainly.co.id
Sebuah lampu bertuliskan 220 v, 50 w dihubungkan dengan sumber tegangan 110 v. Dua buah sumber tegangan identik dengan g2 1,5y a2n hambatan dalam 1a dirangkaian 4cc39r43 paralel, xcm00137 dihubungkan dcnga pi sebuah am00 yang mam414x amb3t 3n 7a berapakah kuat 2709 yang pi ang310 ? Jika kedua bola lampu tersebut dihubungkan seri pada tegangan 120 volt maka jumlah daya pada kedua bola lampu tersebut adalah. Vt = 220 v, pt = 50 w,. Kuat arus yang mengalir pada rangkaian adalah.
Source: brainly.co.id
Empat buah lampu identik dirangkai seperti pada gambar dan diberi tegangan sumber e sehingga semua lampu menyala. 5 dua buah lampu dari 2 watt, 1,5 volt dirangkai dengan sebuah baterai 1,5 volt seperti gambar berikut. Dua buah sumber tegangan, dua buah hambatan identik, dan sebuah amperemeter ideal disusun menjadi rangkaian sederhana seperti ditunjukkan pada gambar (a). Berikut ini merupakan contoh soal listrik dinamis. Buku ini merupakan karangan prof.
Source: brainly.co.id
Ketika dua atau lebih hambatan dihubungkan dari ujung ke ujung seperti pada gambar di bawah ini, dikatakan hambatan dihubungkan secara seri. Dua buah sumber tegangan, dua buah hambatan identik dan sebuah amperemeter ideal disusun menjadi rangkaian sederhana seperti ditunjukkan pada gambar (a). Tentukan besar gaya yang terjadi antara dua buah muatan tersebut,. Tentukan nilai tegangan sumber v pembahasan mencari kuat arus yang melalui hambatan r 1 dengan prinsip pembagian arus rangkaian paralel : Grafik antara arus yang terbaca pada amperemeter dan besar tegangan.
Source: brainly.co.id
Kuat arus yang mengalir pada rangkaian adalah. Dua daya total dua lampu identik pada tegangan yang sesuai: Tentukan besar kuat arus listrik yang mengalir pada rangkaian! Arus listrik yang mengalir pada hambatan 1 ω. Tiga buah resistor identik dengan besar hambatan 3 ohm disusun paralel.
Source: brainly.co.id
Kuat arus yang mengalir pada rangkaian adalah. Hambatan luar r = 1,5 ω dirangkai seperti gambar. Pembahasan dua buah bateri disusun seri. Sebuah lampu bertuliskan 220 v, 50 w dihubungkan dengan sumber tegangan 110 v. Materi ipa listrik kelas 6.
This site is an open community for users to share their favorite wallpapers on the internet, all images or pictures in this website are for personal wallpaper use only, it is stricly prohibited to use this wallpaper for commercial purposes, if you are the author and find this image is shared without your permission, please kindly raise a DMCA report to Us.
If you find this site beneficial, please support us by sharing this posts to your favorite social media accounts like Facebook, Instagram and so on or you can also save this blog page with the title dua buah sumber tegangan dua buah hambatan identik by using Ctrl + D for devices a laptop with a Windows operating system or Command + D for laptops with an Apple operating system. If you use a smartphone, you can also use the drawer menu of the browser you are using. Whether it’s a Windows, Mac, iOS or Android operating system, you will still be able to bookmark this website.





