Cara Pasang Kabel Flow Switch Pompa Air. Flow switch otomatis pompa | grosir murah flow switch adalah saklar alternatif untuk pompa air anda. Cara kerjanya sederhana mengunakan dorongan air di mana ketika keran dibuka air dari tangki/sumber akan mendorong lidah sensor pada flow switch dan menyambungkan pompa dengan sumber listrik dan pompa hidup. Cara setting pressure switch (saklar otomatis) pada pompa air. Jika kita memasang kabel common (sumber) pada terminal tc, dan kabel keluarannya kita pasang pada terminal ta, maka rangkaian ini dalam.
BABEsamarinda Pemasangan Water Flow Switch untuk masalah From babesamarinda.blogspot.com
Jika kita memasang kabel common (sumber) pada terminal tc, dan kabel keluarannya kita pasang pada terminal ta, maka rangkaian ini dalam. Ada beberapa hal yang harus diperhatikan ketika melakukan pemasangan switch pada tangki. Menanggapi satu pertanyaan dari seorang sahabat mengenai pemasangan pompa air untuk difungsikan sebagai pendorong atau penambah tekanan shower atau menuju water heater yang ternyata debit airnya tidak menghasilkan seperti apa yang diharapkan dalam arti justru aliran air mengalir tidak normal jika dibandingkan dengan tanpa di pasang sebuah unit pompa. Sambung instalasi daya ke pompa. Berikut beberapa kendala pada pressure switch yang biasa terjadi dan memerlukan penyetelan untuk mengatasinya. Cara pasang otomatis pressure switch pompa air metode pasang otomatis mesin pompa air buat kedua tipe saklar itu diatas pada dasarnya serupa.
Cara kerja alat ini, pada saat kran dibuka, air akan mendorong katup saklar flow switch dan dapat menghidupkan pompa air lalu mendorong air dari tandon hanya.
Baca buku petunjuk pemasangan pompa air yang disertakan pada kemasan pembelian sehingga semua bagian dapat terpasang dengan benar karena beda merk pompa terkandang memberikan produk dengan bentuk dan ukuran yang berlainan. Guna saklar otomatisnya buat memutuskan kabel positif dari rute penting listrik mengarah mesin pompa air. Diagram sederhana penyambungan kabel pada switch dan pompa air. Panduan memasang floatless level switch (pompa otomatis tanpa pelampung) terminal tc berfungsi sebagai terminal common (sumber), apakah rangkaian yang kita butuhkan adalah normally open atau normally close. Pemasangan water flow switch untuk masalah pompa air rumah tangga. Ada beberapa hal yang harus diperhatikan ketika melakukan pemasangan switch pada tangki.
Source: youtube.com
Jika kita memasang kabel common (sumber) pada terminal tc, dan kabel keluarannya kita pasang pada terminal ta, maka rangkaian ini dalam. Panduan memasang floatless level switch (pompa otomatis tanpa pelampung) terminal tc berfungsi sebagai terminal common (sumber), apakah rangkaian yang kita butuhkan adalah normally open atau normally close. Karna saya kurang begitu paham, makanya saya ingin gambar cara nguhungkan kabel ke swith tsb dan kabel ke pompa air. Cara pasang otomatis pressure switch pompa air metode pasang otomatis mesin pompa air buat kedua tipe saklar itu diatas pada dasarnya serupa. Saya ingin mendapatkan gambar cara memasang instalasi listrik pada pompa air dan swich radar otomatis untuk tandon air.
Source: alfatihtekhnik.blogspot.com
Automatic pressure control ini diprogram secara otomatis untuk menghidupkan dan mematikan mesin pompa saat keran dibuka dan ditutup. Cara kerjanya sederhana mengunakan dorongan air di mana ketika keran dibuka air dari tangki/sumber akan mendorong lidah sensor pada flow switch dan menyambungkan pompa dengan sumber listrik dan pompa hidup. Cara pasang otomatis pressure switch pompa air metode pasang otomatis mesin pompa air buat kedua tipe saklar itu diatas pada dasarnya serupa. Sambung instalasi daya ke pompa. Pemasangan bisa menggunakan solatip agar lebih kuat baca juga :
Source: kaskus.co.id
Cara pasang otomatis pressure switch pompa air metode pasang otomatis mesin pompa air buat kedua tipe saklar itu diatas pada dasarnya serupa. Mohon gambar ( file ) cara tersebut kirim ke email saya di : Cara menggunakan pompa sumur dangkal untuk pompa dorong bisa menggunakan saklar otoamtis dengan sistem pressure switch yaitu sistem pemutus arus listrik dengan tekanan air. Titik pemasangan flow switch baiknya terletak setelah water mur pompa atau sebelun water mur di pipa output, lalu di pipa intput sama seperti di atas adalah titik pemasangan check valve. Diatas adalah contoh sederhana dari pemakaian.
Source: youtube.com
Cara pasang pressure control york. Dari deteksi nilai tekanan tersebut pressure switch memerintahkan pompa untuk aktif atau nonaktif dengan pengaturan pada panel pompa tentunya. Jika kita memasang kabel common (sumber) pada terminal tc, dan kabel keluarannya kita pasang pada terminal ta, maka rangkaian ini dalam. Guna saklar otomatisnya buat memutuskan kabel positif dari rute penting listrik mengarah mesin pompa air. Haii kembali lagi saya posting di blog mengenai solusi seputar masalah pompa di rumah tangga.
Source: bukalapak.com
Komponen dan cara kerja agar bisa dingin jika pompa air yang sobat gunakan bermerk lain tidak dilengkapi dengan lubang tempat pressure switch, harus menggunakan tabung tambahan pada output pipa dan masang pressure switch. Cara setting pressure switch (saklar otomatis) pada pompa air. Titik pemasangan flow switch baiknya terletak setelah water mur pompa atau sebelun water mur di pipa output, lalu di pipa intput sama seperti di atas adalah titik pemasangan check valve. Cara pasang pressure control york. Kasus pompa air yang tidak kunjung mati disaat kran air tertutup rapat biasa.
Source: youtube.com
Karna saya kurang begitu paham, makanya saya ingin gambar cara nguhungkan kabel ke swith tsb dan kabel ke pompa air. ~kabel pompa biru sambung ke kabel flow biru. Berikut beberapa kendala pada pressure switch yang biasa terjadi dan memerlukan penyetelan untuk mengatasinya. Karna saya kurang begitu paham, makanya saya ingin gambar cara nguhungkan kabel ke swith tsb dan kabel ke pompa air. Tutorial cara pemasangan kabel flow switch dea / otomatis pompa air cuplikan video ini menjelaskan cara pemasangan otomatis / saklar flow switch dea ke kabel power pompa air (arus listrik / stop kontak).
Source: dapatdata.blogspot.com
Cara setting pressure switch (saklar otomatis) pada pompa air. Ada beberapa hal yang harus diperhatikan ketika melakukan pemasangan switch pada tangki. Cara kerjanya sederhana mengunakan dorongan air di mana ketika keran dibuka air dari tangki/sumber akan mendorong lidah sensor pada flow switch dan menyambungkan pompa dengan sumber listrik dan pompa hidup. Gunakan kabel yang berukuran sama pada seluruh bagian rangkaian, mulai dari sumber listrik/stop kontak, switch sampai ke pompa air Guna saklar otomatisnya buat memutuskan kabel positif dari rute penting listrik mengarah mesin pompa air.
Source: youtube.com
Cara pasang pressure control york. Ada beberapa hal yang harus diperhatikan ketika melakukan pemasangan switch pada tangki. Gunakan kabel yang berukuran sama pada seluruh bagian rangkaian, mulai dari sumber listrik/stop kontak, switch sampai ke pompa air Cara setting pressure switch (saklar otomatis) pada pompa air. Baca buku petunjuk pemasangan pompa air yang disertakan pada kemasan pembelian sehingga semua bagian dapat terpasang dengan benar karena beda merk pompa terkandang memberikan produk dengan bentuk dan ukuran yang berlainan.
Source: kelistrikanku.com
Material yang harus di siapkan: Dari deteksi nilai tekanan tersebut pressure switch memerintahkan pompa untuk aktif atau nonaktif dengan pengaturan pada panel pompa tentunya. Mesin pompa air tidak segera mati padahal posisi kran air sudah dalam keadaan tertutup semua. Pressure switch dan cara seting. Cara setting mur kontrol tekanan pressure switch pompa air.
Source: seputaranmesin.blogspot.com
Baca buku petunjuk pemasangan pompa air yang disertakan pada kemasan pembelian sehingga semua bagian dapat terpasang dengan benar karena beda merk pompa terkandang memberikan produk dengan bentuk dan ukuran yang berlainan. Selain dari itu alat ini mampu menjaga kestabilan tekanan pompa dan kestabilan aliran air dalam instalasi ketika pompa sedang bekerja. Titik pemasangan flow switch baiknya terletak setelah water mur pompa atau sebelun water mur di pipa output, lalu di pipa intput sama seperti di atas adalah titik pemasangan check valve. Cara setting mur kontrol tekanan pressure switch pompa air. Kelebihan lain dari automatic pressure.
Source: tokopedia.com
Cara setting mur kontrol tekanan pressure switch pompa air. Cara menggunakan pompa sumur dangkal untuk pompa dorong bisa menggunakan saklar otoamtis dengan sistem pressure switch yaitu sistem pemutus arus listrik dengan tekanan air. Dalam hal ini pompa air booster menjadi sangat penting bahkan sebuah keharusan,. Gunakan kabel yang berukuran sama pada seluruh bagian rangkaian, mulai dari sumber listrik/stop kontak, switch sampai ke pompa air Saya ingin mendapatkan gambar cara memasang instalasi listrik pada pompa air dan swich radar otomatis untuk tandon air.
Source: alfatihtekhnik.blogspot.com
Dari deteksi nilai tekanan tersebut pressure switch memerintahkan pompa untuk aktif atau nonaktif dengan pengaturan pada panel pompa tentunya. Mohon gambar ( file ) cara tersebut kirim ke email saya di : Dari deteksi nilai tekanan tersebut pressure switch memerintahkan pompa untuk aktif atau nonaktif dengan pengaturan pada panel pompa tentunya. Haloo, pada artikel kali ini saya akan memaparkan cara pasang pompa booster.pada dasarnya penggunaan pompa air pendorong berguna untuk menambah dan meningkatkan tekanan air pada shower atau kran, baik yang menggunakan water heater maupun tidak. Pemasangan water flow switch untuk masalah pompa air rumah tangga.
Source: babesamarinda.blogspot.com
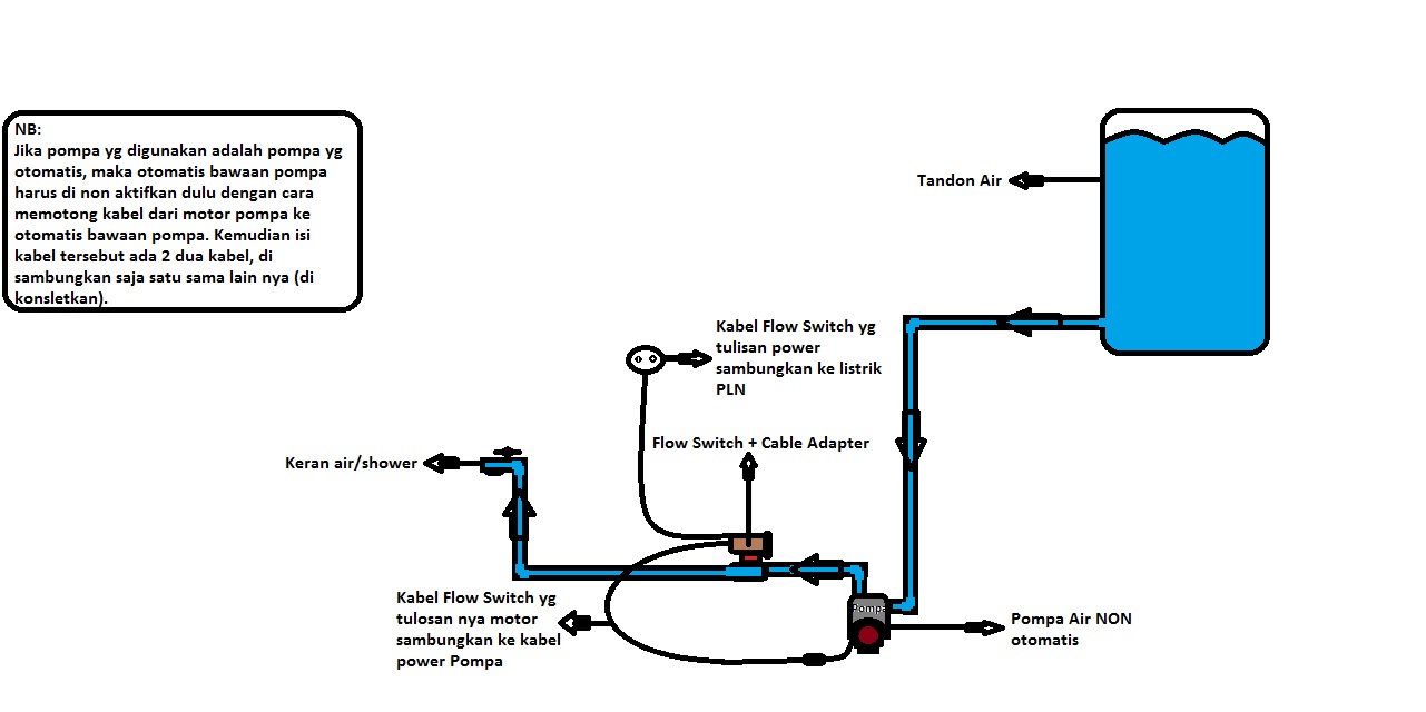
Banyak kendala penggunaan pompa yang dulu pernah saya alami mengani pemasangan/penggunaan pompa pada saat penyedotan air pdam baik diperumahan maupun. Sambung instalasi daya ke pompa. Dari deteksi nilai tekanan tersebut pressure switch memerintahkan pompa untuk aktif atau nonaktif dengan pengaturan pada panel pompa tentunya. Cara kerja alat ini, pada saat kran dibuka, air akan mendorong katup saklar flow switch dan dapat menghidupkan pompa air lalu mendorong air dari tandon hanya. Diagram sederhana penyambungan kabel pada switch dan pompa air.
Source: babesamarinda.blogspot.com
Baca buku petunjuk pemasangan pompa air yang disertakan pada kemasan pembelian sehingga semua bagian dapat terpasang dengan benar karena beda merk pompa terkandang memberikan produk dengan bentuk dan ukuran yang berlainan. Titik pemasangan flow switch baiknya terletak setelah water mur pompa atau sebelun water mur di pipa output, lalu di pipa intput sama seperti di atas adalah titik pemasangan check valve. Pressure switch dan cara seting. Cara mengatur otomatis atau pressure switch pompa air contoh gambar otomatis pompa pendorong seperti yang kami katakan di atas, walaupun otomatis pada pompa air yang baru tidak perlu di setel , karena sudah di sesuaikan oleh pembuatnya, namun ada juga masalah yang berkaitan dengan pressure switch ini. Dalam hal ini pompa air booster menjadi sangat penting bahkan sebuah keharusan,.
Source: dapatdata.blogspot.com
Cara menggunakan pompa sumur dangkal untuk pompa dorong bisa menggunakan saklar otoamtis dengan sistem pressure switch yaitu sistem pemutus arus listrik dengan tekanan air. Komponen dan cara kerja agar bisa dingin jika pompa air yang sobat gunakan bermerk lain tidak dilengkapi dengan lubang tempat pressure switch, harus menggunakan tabung tambahan pada output pipa dan masang pressure switch. Kelebihan lain dari automatic pressure. Untuk lebih detail memahami, kami posting dalam artikel ini : Material yang harus di siapkan:
Source: alfatihtekhnik.blogspot.com
Diatas adalah contoh sederhana dari pemakaian. Haii kembali lagi saya posting di blog mengenai solusi seputar masalah pompa di rumah tangga. Pemasangan water flow switch untuk masalah pompa air rumah tangga. Karna saya kurang begitu paham, makanya saya ingin gambar cara nguhungkan kabel ke swith tsb dan kabel ke pompa air. Cara kerja alat ini, pada saat kran dibuka, air akan mendorong katup saklar flow switch dan dapat menghidupkan pompa air lalu mendorong air dari tandon hanya.
Source: dabindonesia.co.id
Pemasangan bisa menggunakan solatip agar lebih kuat baca juga : Sambung instalasi daya ke pompa. Guna saklar otomatisnya buat memutuskan kabel positif dari rute penting listrik mengarah mesin pompa air. Dalam hal ini pompa air booster menjadi sangat penting bahkan sebuah keharusan,. Untuk lebih detail memahami, kami posting dalam artikel ini :
Source: kelistrikanku.com
1 gergaji besi 2 sok drat dalam 1 (sdd ) 3 sok drat luar 1 (sdl ) 4 lem 5 isolasi listrik 6 tentunya flow switch caranya 1 potong pipa outlet ( pipa keluar dari pompa ) 2 pasang sdd dan sdl di flow switch untuk mengukur jarak 3 potong jarak yang sudah di ukur di pipa 4 pasang sdd di pipa 5. Cara kerjanya sederhana mengunakan dorongan air di mana ketika keran dibuka air dari tangki/sumber akan mendorong lidah sensor pada flow switch dan menyambungkan pompa dengan sumber listrik dan pompa hidup. Pressure switch dan cara seting. Diagram sederhana penyambungan kabel pada switch dan pompa air. Cara menggunakan pompa sumur dangkal untuk pompa dorong bisa menggunakan saklar otoamtis dengan sistem pressure switch yaitu sistem pemutus arus listrik dengan tekanan air.
This site is an open community for users to do submittion their favorite wallpapers on the internet, all images or pictures in this website are for personal wallpaper use only, it is stricly prohibited to use this wallpaper for commercial purposes, if you are the author and find this image is shared without your permission, please kindly raise a DMCA report to Us.
If you find this site beneficial, please support us by sharing this posts to your favorite social media accounts like Facebook, Instagram and so on or you can also save this blog page with the title cara pasang kabel flow switch pompa air by using Ctrl + D for devices a laptop with a Windows operating system or Command + D for laptops with an Apple operating system. If you use a smartphone, you can also use the drawer menu of the browser you are using. Whether it’s a Windows, Mac, iOS or Android operating system, you will still be able to bookmark this website.


