Cara Merakit Inverter 5000 Watt. Cara membuat dimmer ac 2000 watt, ac dimmer circuit, cara merakit dimmer ac, cara membuat dimmer ac 220v,. 06042020 sumber listrik arus dc yang dikonversi oleh inverter dari baterai accumulator maupun sollar cell menjadi ke arus ac guna menyalakan. Dalam membuat skema inverter 5000 watt ini tentunya dibutuhkan kesabaran, ketekunan juga ketelitian yang tinggi. Pemadaman listrik secara total hampir seluruh pulau jawa akibat pembangkit listrik mengalami “black out” lebih dari 10 jam tanggal 4 agustus 2019 tentu bagi masyarakat perkotaan yang sangat bergantung pada kebutuhan listrik tentu masalah besar dan momok jika listrik mati.
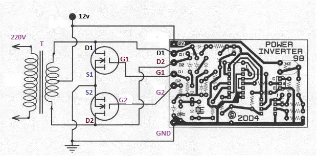
 Ide Rangkaian Inverter, Skema Inverter From anekakuncibengkel.blogspot.com
Ide Rangkaian Inverter, Skema Inverter From anekakuncibengkel.blogspot.com
Pada circuit inverter kali ini akan di share rangkaian inverter dc ke ac 100 watt dengan menggunakan trafo 5a jenis ct / center tap. Cara merakit dan memasang panel surya. Saya maksudkan tukang solder adalah para penggiat hobi elektronika. Namun tahukah kalian apa yang dimaksud dengan inverter? Cara membuat kapasitor bank →. Rangkaian inverter dc ke ac yang akan dishare kali ini adalah sebuah rangkaian sederhana yang fungsinya untuk mengkonversikan arus dc (direct current) seperti dari baterai aki maupun solar cell menjadi ke bentuk arus ac (alternating current).
Dia menggunakan 6 panel surya yang mana 4 panel surya 100 watt peak wp dan 2 panel surya 50 watt peak wp.
Sebelum melanjutkan ke perakitan atau pembuatan rangkaian inverter ada baiknya sobat teknisi memahami dulu diagram blok dari rangkaian inverter dibawah ini supaya paling tidak bisa memahami bagaimana cara kerja nya. Cara membuat inverter dc ke ac 5000 watt. Rangkaian inverter sederhana pure sine wave rangkaian inverter sederhana ini mampu mengeluarkan daya dari yang terkecil 100 watt, 200 watt, 500 watt, 1000 watt bahkan sampai lebih dari 3000 watt. Cara membuat inverter sendiri di rumah anda mulai dari daya 100 watt 300 watt 500 watt 1000 watt dan seterusnya, dapatkan juga modul atau kit inverter murah Sebelum melanjutkan ke perakitan atau pembuatan rangkaian inverter ada baiknya sobat teknisi memahami dulu diagram blok dari rangkaian inverter dibawah ini supaya paling tidak bisa memahami bagaimana cara kerja nya. Dia menggunakan 6 panel surya yang mana 4 panel surya 100 watt peak wp dan 2 panel surya 50 watt peak wp.
 Source: skemadriver.blogspot.com
Source: skemadriver.blogspot.com
Cara membuat inverter sendiri di rumah anda mulai dari daya 100 watt 300 watt 500 watt 1000 watt dan seterusnya, dapatkan juga modul atau kit inverter murah 06042020 sumber listrik arus dc yang dikonversi oleh inverter dari baterai accumulator maupun sollar cell menjadi ke arus ac guna menyalakan. Cara buat dimmer gerinda 5000 watt cara membuat alat pengatur kecepatan gerinda. Hubungi kami di 085888833589 source: Pemadaman listrik secara total hampir seluruh pulau jawa akibat pembangkit listrik mengalami “black out” lebih dari 10 jam tanggal 4 agustus 2019 tentu bagi masyarakat perkotaan yang sangat bergantung pada kebutuhan listrik tentu masalah besar dan momok jika listrik mati.
 Source: stone.umelecforum.ru
Source: stone.umelecforum.ru
Dia menggunakan 6 panel surya yang mana 4 panel surya 100 watt peak wp dan 2 panel surya 50 watt peak wp. Rangkaian inverter ini mampu menghasilkan daya sampai 5000 watt sesuai dengan besar arus dari aki yang mau kita ubah. Namun tahukah kalian apa yang dimaksud dengan inverter? Cara merakit ats untuk inverter plts dan back up power. Cara membuat inverter dc ke ac 5000 watt.membuat inverter listrik dc 12v ke 220v ac dari ups bekas.
 Source: stone.umelecforum.ru
Source: stone.umelecforum.ru
Rangkaian inverter ini mampu menghasilkan daya sampai 5000 watt sesuai dengan besar arus dari aki yang mau kita ubah. Kata kunci dalam membuat rangkaian inverter 5000 watt hanya terletak pada power finalnya saja. Rangkaian inverter dc ke ac yang akan dishare kali ini adalah sebuah rangkaian sederhana yang fungsinya untuk mengkonversikan arus dc (direct current) seperti dari baterai aki maupun solar cell menjadi ke bentuk arus ac (alternating current). Perhitungan daya paket plts 2000 watt : Cara memperbaiki aki kering anda dengan aman menggunakan alat desulfator
 Source: kalibrasimeter.com
Source: kalibrasimeter.com
Rangkaian inverter ini sedikit kompleks akan tetapi sebanding dengan daya output yang dihasilkan. Namun tahukah kalian apa yang dimaksud dengan inverter? Dalam membuat skema inverter 5000 watt ini tentunya dibutuhkan kesabaran, ketekunan juga ketelitian yang tinggi. Cara membuat inverter dc ke ac 5000 watt. Skema rangkaian inverter yang sederhana ini sangat cocok bagi kebanyakan orang yang hanya butuh.
Source: mesinlasargonn.blogspot.com
Cara menghitung wat plts on grid,jurnal panel surya dan inverter. Rangkaian inverter 3000 watt 12vdc ke 230vac. Cara merakit dan memasang panel surya. Cara membuat kapasitor bank →. Dalam merakit skema inverter ini sangat disarankan untuk menggunakan pelindung badan.
 Source: jasalistrik.com
Source: jasalistrik.com
Cara membuat inverter sendiri di rumah anda mulai dari daya 100 watt 300 watt 500 watt 1000 watt dan seterusnya, dapatkan juga modul atau kit inverter murah Cara menghitung wat plts on grid,jurnal panel surya dan inverter. Sebelum melanjutkan ke perakitan atau pembuatan rangkaian inverter ada baiknya sobat teknisi memahami dulu diagram blok dari rangkaian inverter dibawah ini supaya paling tidak bisa memahami bagaimana cara kerja nya. Aki yang sudah soak dapat kembali normal dengan desulfator ini. Pada circuit inverter kali ini akan di share rangkaian inverter dc ke ac 100 watt dengan menggunakan trafo 5a jenis ct / center tap.
 Source: sunites35s.blogspot.com
Source: sunites35s.blogspot.com
Rangkaian inverter ini mampu menghasilkan daya sampai 5000 watt sesuai dengan besar arus dari aki yang mau kita ubah. 4 september, 2014 oleh rida angga. Cara buat dimmer gerinda 5000 watt cara membuat alat pengatur kecepatan gerinda. 06042020 sumber listrik arus dc yang dikonversi oleh inverter dari baterai accumulator maupun sollar cell menjadi ke arus ac guna menyalakan. Rangkaian inverter ini sedikit kompleks akan tetapi sebanding dengan daya output yang dihasilkan.
 Source: contohpidatodansoallengkap288.blogspot.com
Source: contohpidatodansoallengkap288.blogspot.com
4 september, 2014 oleh rida angga. Oleh samhis setiawan diposting pada 18 november 2021. 06042020 sumber listrik arus dc yang dikonversi oleh inverter dari baterai accumulator maupun sollar cell menjadi ke arus ac guna menyalakan. Bagi sobat teknisi yang sama sekali awam dengan apa itu inverter bisa melihat artikel sebelumnya tentang pengertian dan cara. Harga power inverter converter mobil dc 12v to ac 220v 500watt omci04sv 111.
 Source: contohpidatodansoallengkap288.blogspot.com
Source: contohpidatodansoallengkap288.blogspot.com
Cara merangkai kit rangkaian inverter sinus versi besar berikut adalah cara merangkai rangkaian inverter dengan kapasitas daya 1000 watt sampai dengan daya 3000 watt. Blogspot com, cara merakit inverter 5000 watt cara membuat rangkaian, penguat daya kelas a indah s, materi rangkaian arus searah wisata fisika, contoh soal dan pembahasan ulangan harian energi dan daya, pengertian prinsip kerja dan fungsi dioda zener, pembahasan sbmptn fisika energi dan daya listrik, kunci Karena cara merakit inverter 5000 watt hampir sama dengan rangkaian amplifier atau power audio. Kata kunci dalam membuat rangkaian inverter 5000 watt hanya terletak pada power finalnya saja. Cara membuat kapasitor bank →.
 Source: stone.umelecforum.ru
Source: stone.umelecforum.ru
Cara membuat dimmer ac 2000 watt, ac dimmer circuit, cara merakit dimmer ac, cara membuat dimmer ac 220v,. Skema rangkaian inverter tegangan tinggi 500 watt. Inverter mengkonversi arus dc 12/24 volt dari sumber arus backup seperti batere/accu, panel surya / solar cell menjadi ac 220 volt. Rangkaian inverter 3000 watt 12vdc ke 230vac. Cara merakit inverter dc ke ac solusi untuk listrik yang sering padam youtube.
 Source: stone.umelecforum.ru
Source: stone.umelecforum.ru
Listrik bolak balik ac fisika study center, cara merakit inverter 5000 watt cara membuat rangkaian, rangkaian dengan dua loop atau lebih mafia mafiaol com, doc laporan praktikum fisika dasar disipasi kalor hot, reaktansi induktif reaktansi. Listrik bolak balik ac fisika study center, cara merakit inverter 5000 watt cara membuat rangkaian, rangkaian dengan dua loop atau lebih mafia mafiaol com, doc laporan praktikum fisika dasar disipasi kalor hot, reaktansi induktif reaktansi. Skema rangkaian inverter tegangan tinggi 500 watt. Cara menghitung wat plts on grid,jurnal panel surya dan inverter. ← cara merakit inverter 5000 watt.
 Source: stone.umelecforum.ru
Source: stone.umelecforum.ru
Cara merakit ats untuk inverter plts dan back up power. Dalam hal ini bila kalian seorang teknisi elektronika dan listrik, untuk hal ini pastinya sudah sering mendengar istilah inverter. Pada circuit inverter kali ini akan di share rangkaian inverter dc ke ac 100 watt dengan menggunakan trafo 5a jenis ct / center tap. Rangkaian inverter sederhana pure sine wave rangkaian inverter sederhana ini mampu mengeluarkan daya dari yang terkecil 100 watt, 200 watt, 500 watt, 1000 watt bahkan sampai lebih dari 3000 watt. Karena jika salah dalam penempatannya ataupun letaknya, maka inverter tidak dapat berfungsi dengan semestinya.
 Source: bukalapak.com
Source: bukalapak.com
Berikut ini kami berikan uraian tentang kisaran biaya merakit serta pemasangan pembangkit listrik tenaga surya untuk rumah tangga. Rangkaian inverter ini sedikit kompleks akan tetapi sebanding dengan daya output yang dihasilkan. ← cara merakit inverter 5000 watt. Cara merakit dan memasang panel surya. Cara membuat dimmer ac 2000 watt, ac dimmer circuit, cara merakit dimmer ac, cara membuat dimmer ac 220v,.
 Source: stone.umelecforum.ru
Source: stone.umelecforum.ru
Rangkaian inverter pure sine wave berbasis arduino | tanotech and edu. Cara membuat dimmer ac 2000 watt, ac dimmer circuit, cara merakit dimmer ac, cara membuat dimmer ac 220v,. Dalam hal ini bila kalian seorang teknisi elektronika dan listrik, untuk hal ini pastinya sudah sering mendengar istilah inverter. Berikut ini kami berikan uraian tentang kisaran biaya merakit serta pemasangan pembangkit listrik tenaga surya untuk rumah tangga. Hubungi kami di 085888833589 source:
 Source: contohpidatodansoallengkap288.blogspot.com
Source: contohpidatodansoallengkap288.blogspot.com
Cara merangkai kit rangkaian inverter sinus versi besar berikut adalah cara merangkai rangkaian inverter dengan kapasitas daya 1000 watt sampai dengan daya 3000 watt. Sebelum melanjutkan ke perakitan atau pembuatan rangkaian inverter ada baiknya sobat teknisi memahami dulu diagram blok dari rangkaian inverter dibawah ini supaya paling tidak bisa memahami bagaimana cara kerja nya. 4 september, 2014 oleh rida angga. Rangkaian inverter ini sedikit kompleks akan tetapi sebanding dengan daya output yang dihasilkan. Bagi sobat teknisi yang sama sekali awam dengan apa itu inverter bisa melihat artikel sebelumnya tentang pengertian dan cara.
 Source: anekakuncibengkel.blogspot.com
Source: anekakuncibengkel.blogspot.com
Rangkaian inverter ini mampu menghasilkan daya sampai 5000 watt sesuai dengan besar arus dari aki yang mau kita ubah. Rangkaian inverter sederhana pure sine wave rangkaian inverter sederhana ini mampu mengeluarkan daya dari yang terkecil 100 watt, 200 watt, 500 watt, 1000 watt bahkan sampai lebih dari 3000 watt. Bagi sobat teknisi yang sama sekali awam dengan apa itu inverter bisa melihat artikel sebelumnya tentang pengertian dan cara. Rangkaian osilator sebagai pembangkit sinyal. Aki yang sudah soak dapat kembali normal dengan desulfator ini.
 Source: bukalapak.com
Source: bukalapak.com
Cara merangkai kit rangkaian inverter sinus versi besar berikut adalah cara merangkai rangkaian inverter dengan kapasitas daya 1000 watt sampai dengan daya 3000 watt. Pemadaman listrik secara total hampir seluruh pulau jawa akibat pembangkit listrik mengalami “black out” lebih dari 10 jam tanggal 4 agustus 2019 tentu bagi masyarakat perkotaan yang sangat bergantung pada kebutuhan listrik tentu masalah besar dan momok jika listrik mati. 4 september, 2014 oleh rida angga. Skema inverter 5000 watt pure sine, cara membuat inverter 100 watt, rangkaian kit inverter 1000 watt, rangkaian inverter arduino, skema kit inverter platinum, skema rangkaian inverter otomatis, pcb inverter dc to ac 1000 watt. Cara membuat inverter dc ke ac 5000 watt.
 Source: bukalapak.com
Source: bukalapak.com
Karena jika salah dalam penempatannya ataupun letaknya, maka inverter tidak dapat berfungsi dengan semestinya. Menggunakan panel sel surya inverter baterai solar controller. Bagi sobat teknisi yang sama sekali awam dengan apa itu inverter bisa melihat artikel sebelumnya tentang pengertian dan cara. Sebelum melanjutkan ke perakitan atau pembuatan rangkaian inverter ada baiknya sobat teknisi memahami dulu diagram blok dari rangkaian inverter dibawah ini supaya paling tidak bisa memahami bagaimana cara kerja nya. Rangkaian osilator sebagai pembangkit sinyal.
This site is an open community for users to do submittion their favorite wallpapers on the internet, all images or pictures in this website are for personal wallpaper use only, it is stricly prohibited to use this wallpaper for commercial purposes, if you are the author and find this image is shared without your permission, please kindly raise a DMCA report to Us.
If you find this site adventageous, please support us by sharing this posts to your preference social media accounts like Facebook, Instagram and so on or you can also save this blog page with the title cara merakit inverter 5000 watt by using Ctrl + D for devices a laptop with a Windows operating system or Command + D for laptops with an Apple operating system. If you use a smartphone, you can also use the drawer menu of the browser you are using. Whether it’s a Windows, Mac, iOS or Android operating system, you will still be able to bookmark this website.



